EasyManua.ls Logo

IAI SCON-CB-F - Wiring for Emergency Stop Circuit (System I;O)

IAI SCON-CB-F
450 pages
Print Icon
To Next Page IconTo Next Page
To Next Page IconTo Next Page
To Previous Page IconTo Previous Page
To Previous Page IconTo Previous Page
Loading...
2. Wiring
116
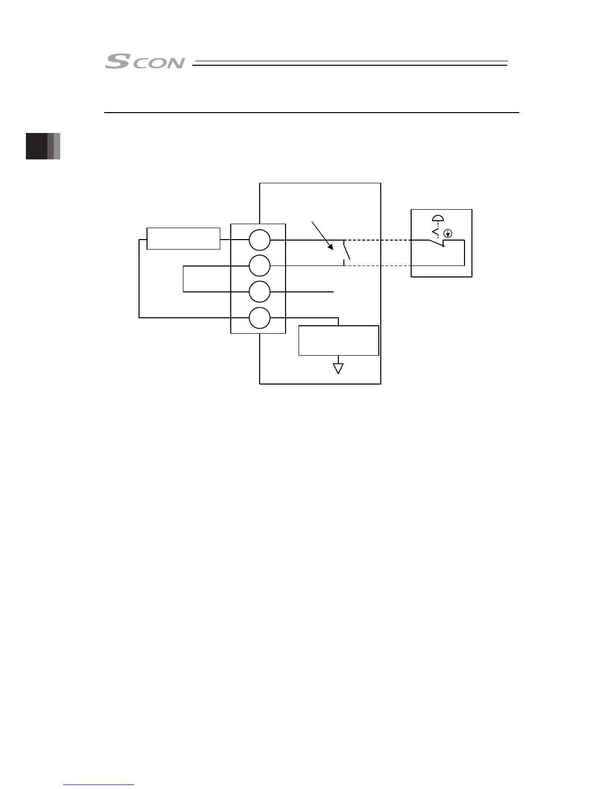
2.5.2 Wiring for Emergency Stop Circuit (System I/O)
Make sure to construct the wiring of the emergency stop circuit considering the suitability to the
Safety Category of the whole system.
● Wiring Image
Note 1 CGB/LCG type are not equipped with a relay to enable to automatically identify a
teaching tool was inserted and switch the wiring layout. (It does not get short-circuited
between S1 and S2 terminals even if not connected.)
The controller on C/LCB type automatically identifies that a teaching tool was inserted.
(When there is nothing plugged in, S1 and S2 are short-circuited inside the controller.)
Note 2 Construct the circuit considering the safety category of the whole equipment.
Note 3 Make sure to construct the emergency stop circuit using the built-in 24V (EMG+
Terminal) output for EMG- Terminal.
Note 4 There is no motor power cutoff relay in CGB/LCG type.
[Refer to Chapter 10 for conformance to Safety Category.]
SCON
S1
S2
EMG+
EMG-
停止回路
ティーチング
内蔵24V
停止回路
(駆動源しゃ断)
Teaching Tool Connection
Detection Circuit
(Contact opens when
connected)
(Note 1)
Emergency Stop
Circuit
(Note 2)
(
N
o
t
e
3)
Emergency Stop Circuit
(Note 4)
(Driving source cutoff)
Built-in
24 V
Teaching pendant

Table of Contents

Related product manuals