EasyManua.ls Logo

iPECS iPECS-MG - Serial Port

iPECS iPECS-MG
112 pages
Print Icon
To Next Page IconTo Next Page
To Next Page IconTo Next Page
To Previous Page IconTo Previous Page
To Previous Page IconTo Previous Page
Loading...
iPECS-MG
Hardware Description and Installation Manual Issue 1.1
74
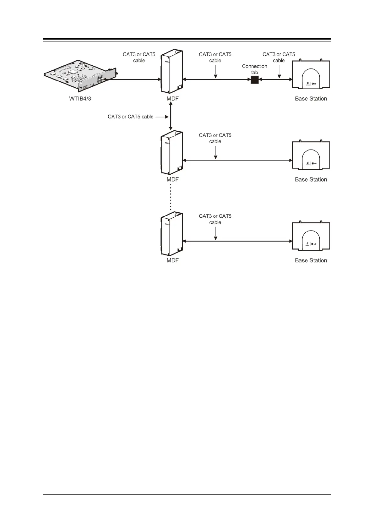
Figure 5.4.5.5-1 WTIB Connection to Multiple System DECT Base Stations
5.4.5.6 Serial Port
The VMIB an AAIB include an Audio jack connected to a Serial port. The serial port is used for
diagnostic purposes. For wiring information, refer to section 5.6.

Table of Contents

Other manuals for iPECS iPECS-MG