EasyManua.ls Logo

KSR Moto TRIGGER 50 - Lubrication Scheme

KSR Moto TRIGGER 50
152 pages
Print Icon
To Next Page IconTo Next Page
To Next Page IconTo Next Page
To Previous Page IconTo Previous Page
To Previous Page IconTo Previous Page
Loading...
ENGINE/ LUBRICATION SYSTEM
90
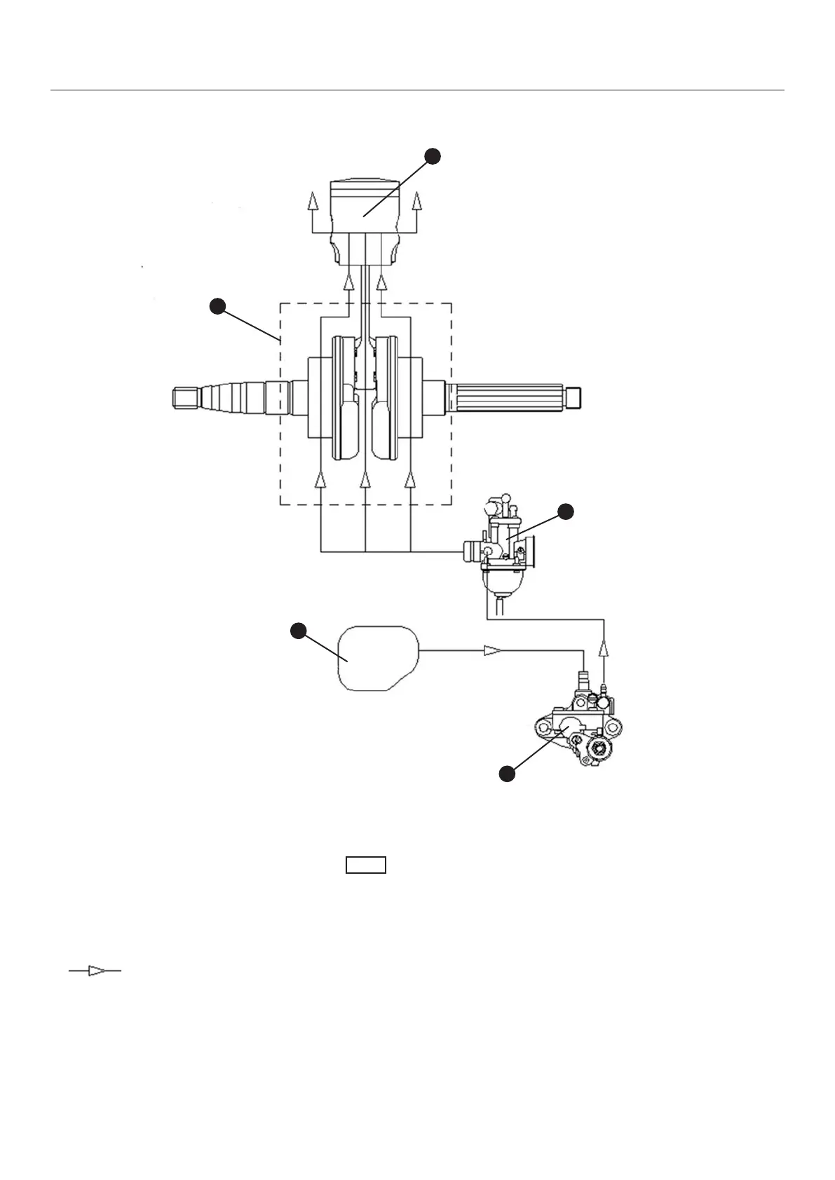
LUBRICATION SCHEME
PART LIST - LUBRICATION SYSTEM
1. Oil tank
2. Oil pump
3. Carburettor
4. Crankshaft
5. Crankcase
Oil ow direction
When the engine oil pump is removed, clean care-
fully all the components and purge them with high-
pressure air.
During engine oil pump removal and installation, pay
attention not to drop anything into the crankcase.
NOTE
5
4
3
1
2

Table of Contents

Related product manuals