EasyManua.ls Logo

Magnetek 2001-G+M - Page 36

Magnetek 2001-G+M
190 pages
Print Icon
To Next Page IconTo Next Page
To Next Page IconTo Next Page
To Previous Page IconTo Previous Page
To Previous Page IconTo Previous Page
Loading...
IMPULSE•G+ Mini Advanced Instruction Manual - March 2014
3-12
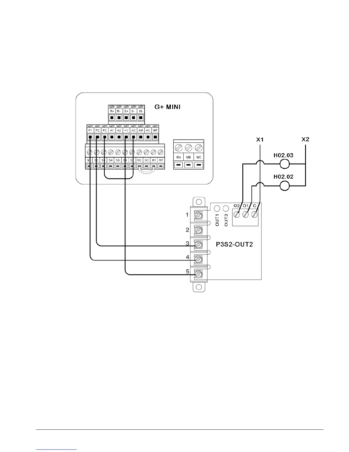
IMPULSE•G+ Mini Optional Relay Outputs
The interface card P3S2-OUT2 provides two 240 VAC, 1.5 Amp rated solid-state relay outputs.
Each relay is independently programmable. Constants H02.02 and H02.03 will configure these
digital outputs.
Figure 3-6: IMPULSE•G+ Mini Output Card

Table of Contents

Other manuals for Magnetek 2001-G+M

Related product manuals