EasyManua.ls Logo

Maxsine EP3 E Series - Page 22

Default Icon
162 pages
Print Icon
To Next Page IconTo Next Page
To Next Page IconTo Next Page
To Previous Page IconTo Previous Page
To Previous Page IconTo Previous Page
Loading...
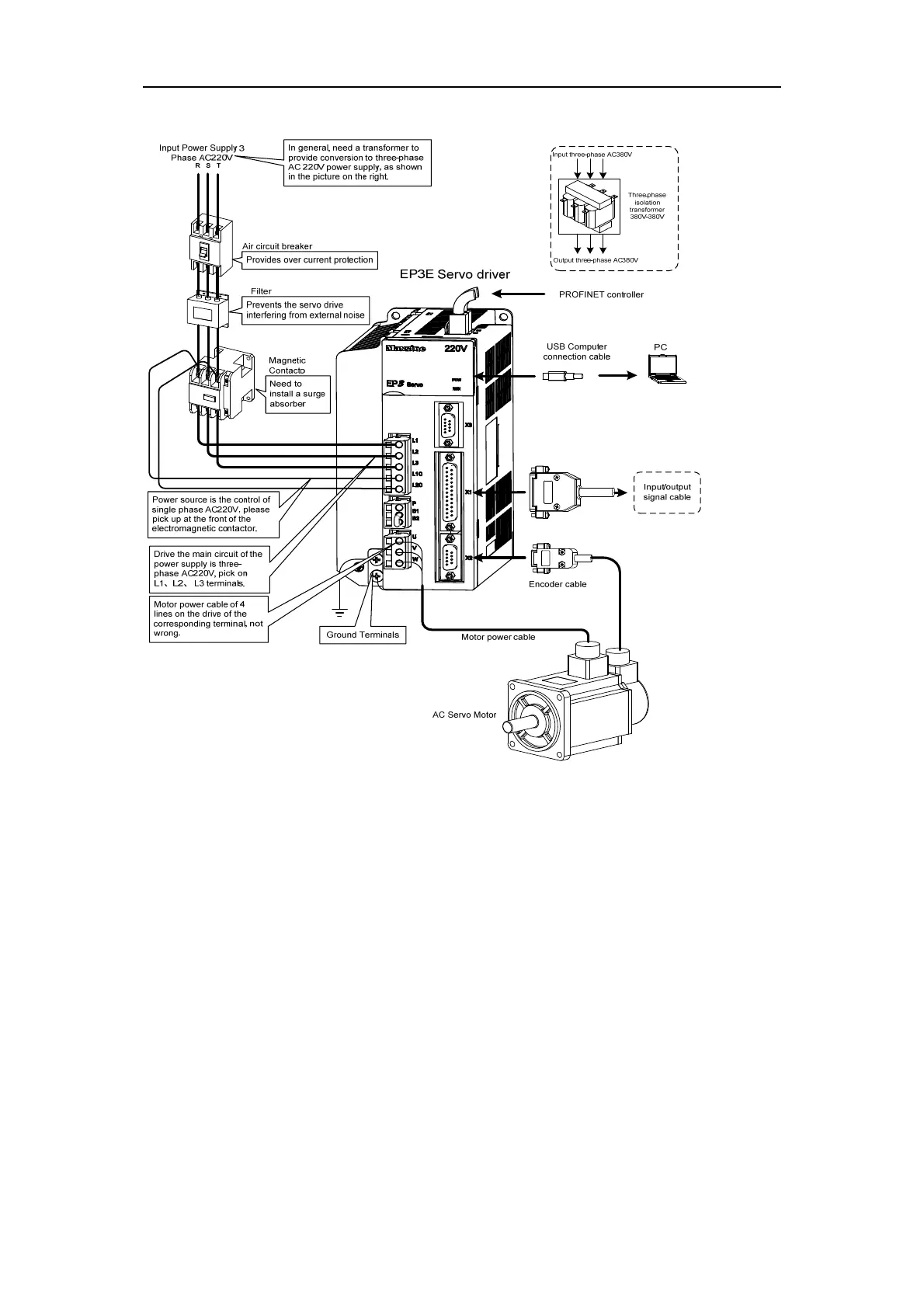
Chapter 2 Wiring
14
Applicable modelsGL5A5GL7A5GL120GL160
Note: Please refer to section 2.1.5 for details of GL190 and GL240.

Table of Contents