EasyManua.ls Logo

Maxsine EP3 E Series - Main Circuit Wiring Diagram

Default Icon
162 pages
Print Icon
To Next Page IconTo Next Page
To Next Page IconTo Next Page
To Previous Page IconTo Previous Page
To Previous Page IconTo Previous Page
Loading...
Chapter 2 Wiring
20
2.1.5
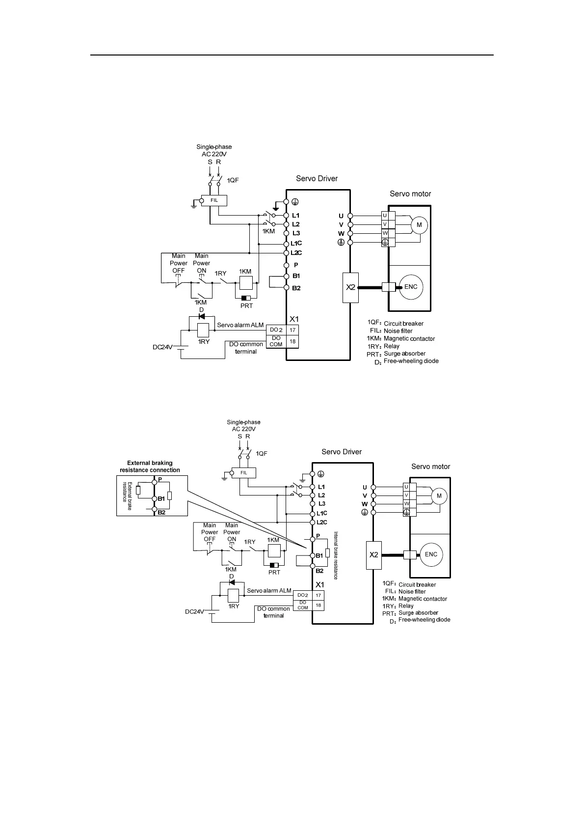
Main circuit wiring diagram
1. GL series servo driver power supply adopts three-phase AC 220V, generally obtained from
three-phase AC 380V through transformer.
Applicable modelsGL1A0 [Note]
Note: GL1A0 has no internal brake resistor, so it is generally not necessary to connect the
brake resistor.
Applicable models: GL1A8GL3A0

Table of Contents