EasyManua.ls Logo

Maxsine EP3 E Series - 3.4 Parameters Setting

Default Icon
162 pages
Print Icon
To Next Page IconTo Next Page
To Next Page IconTo Next Page
To Previous Page IconTo Previous Page
To Previous Page IconTo Previous Page
Loading...
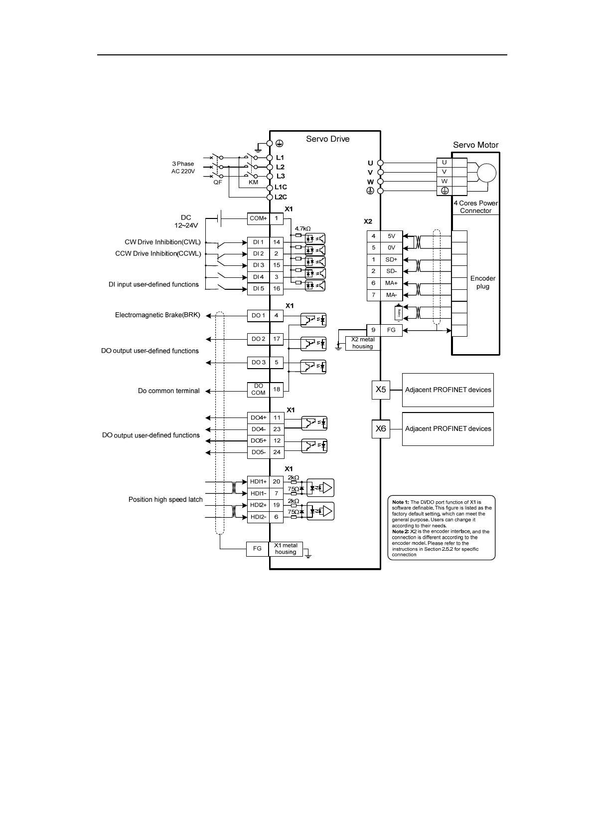
2.7 Standard wiring diagram
33
2.7
Standard wiring diagram
2.7.1
Control wiring
Note: The wiring diagram above takes GL7A5 as an example.

Table of Contents