EasyManua.ls Logo

Maxsine EP3 E Series - 2.3 Connection of Reactor

Default Icon
162 pages
Print Icon
To Next Page IconTo Next Page
To Next Page IconTo Next Page
To Previous Page IconTo Previous Page
To Previous Page IconTo Previous Page
Loading...
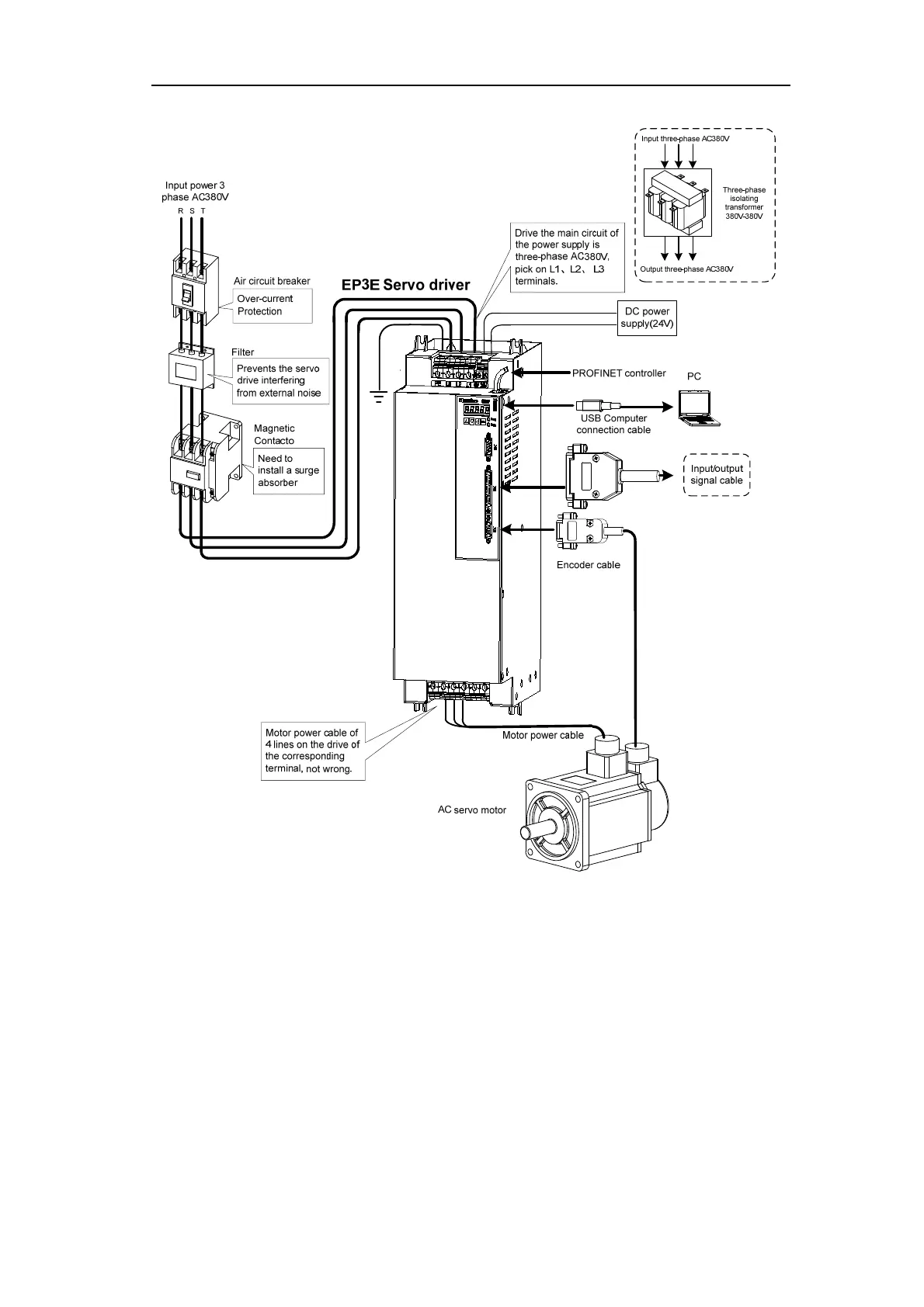
2.1 System construction and wiring
17
Applicable modelsGH320GH390

Table of Contents