EasyManua.ls Logo

Maxsine EP3 E Series - Page 31

Default Icon
162 pages
Print Icon
To Next Page IconTo Next Page
To Next Page IconTo Next Page
To Previous Page IconTo Previous Page
To Previous Page IconTo Previous Page
Loading...
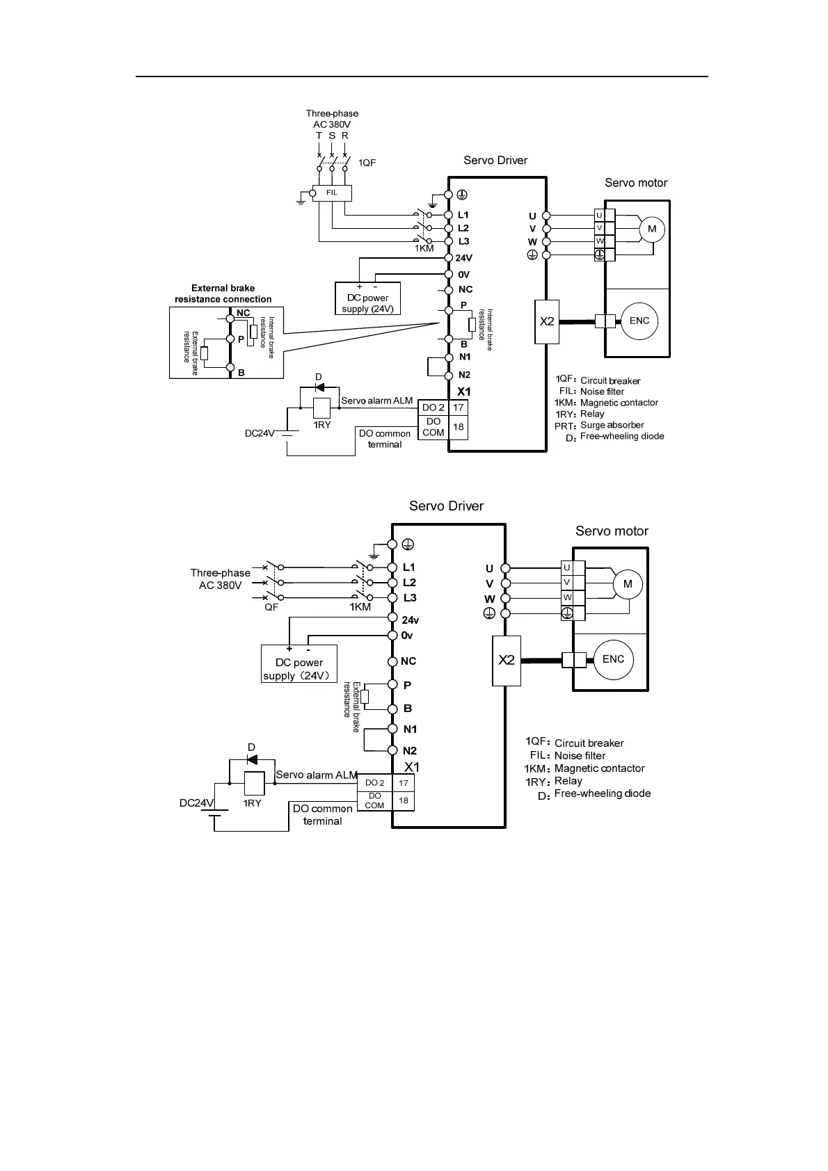
2.1 System construction and wiring
23
Applicable modelsGH130
Applicable modelsGH170GH210GH260GH320GH390[Note]
Note: GH170, GH210, GH260, GH320 and GH390 have no internal brake resistors.
They need to be connected with external brake resistors for use.

Table of Contents