EasyManua.ls Logo

Mitsubishi M80 series

Mitsubishi M80 series
648 pages
To Next Page IconTo Next Page
To Next Page IconTo Next Page
To Previous Page IconTo Previous Page
To Previous Page IconTo Previous Page
Loading...
M800S/M80/E80 Series Connection and Setup Manual
4 General Specifications
95
IB-1501269-J
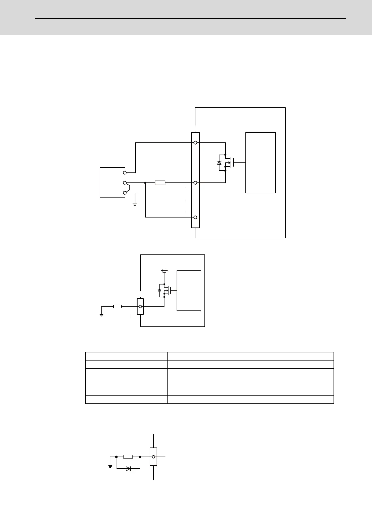
(a) Outline of digital signal output circuit
Use within the specification ranges shown below.
Output circuit
[FCU8-DX731 / FCU8-DX750 / FCU8-DX760 / FCU8-DX761]
[FCU8-DX834]
Output conditions
(Note 1) When using an inductive load such as a relay, always connect a diode (voltage resistance 100V or
more, twice or more the load current) in parallel to the load.
Insulation method Non-insulation
Rated load voltage 24VDC
Max. output current
0.2A/point
[Total output current of whole unit]
- For FCU8-DX731/DX750/DX761/DX834: 3.8A or less
- For FCU8-DX760: 5.7A or less
Output delay time 40μs
DOCOM
0V
0V
FG
Y200
Y23F
CG32/CG36/CJ38/CJ40/CJ42
Y260
Y27F
Y240
Y24F
24VDC(+)
Control
circuit
Stabilized
power supply
Load
Source output
Y200
Y23F
CG32/CG34
24VDC
Load
Control
circuit
Source output
Y
Source output
Inductive load
Diode

Table of Contents

Related product manuals