EasyManua.ls Logo

MLC LC100 - 2.5 LC100-S safety circuit board

MLC LC100
148 pages
Print Icon
To Next Page IconTo Next Page
To Next Page IconTo Next Page
To Previous Page IconTo Previous Page
To Previous Page IconTo Previous Page
Loading...
11
LC100 Instruction manual
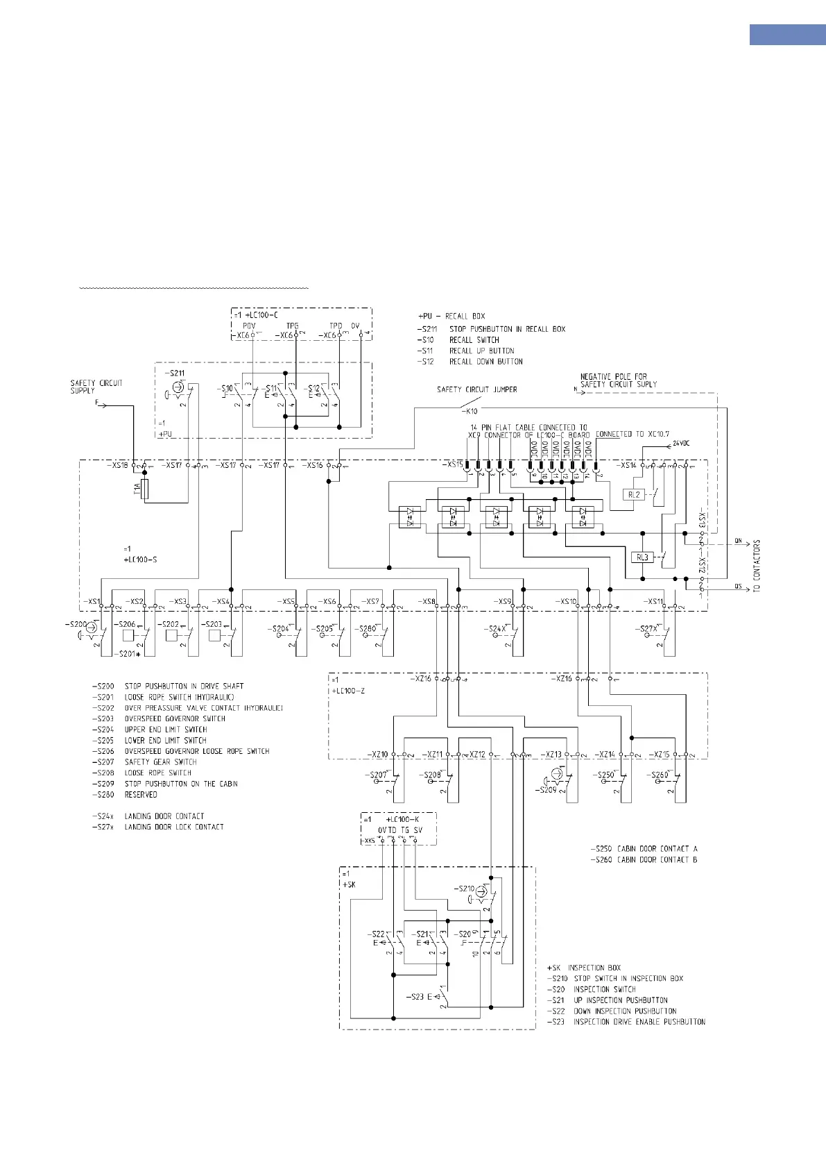
2.5 LC100-S safety circuit board
LC100-S safety board is used to connect elements of a safety circuit. Information about points of safety circuit is
transfered to lower voltage through optocoupler and then transfered through XS15 flat connector to main LC100-C
board.
Elements of a safety circuit are connected to connectors XS1 to XS16 which are red coloured.
On the board there is a safety fuse and status LED diodes.
There is two versions of LC100-S board acording to the safety circuit voltage:
1. 220VAC and 48VAC (with capacitors)
2. 48VDC (short circued capacitors).
Connection diagram for safety circuit:

Table of Contents