EasyManua.ls Logo

MLC LC100 - Page 12

MLC LC100
148 pages
Print Icon
To Next Page IconTo Next Page
To Next Page IconTo Next Page
To Previous Page IconTo Previous Page
To Previous Page IconTo Previous Page
Loading...
12
LC100 Instruction manual
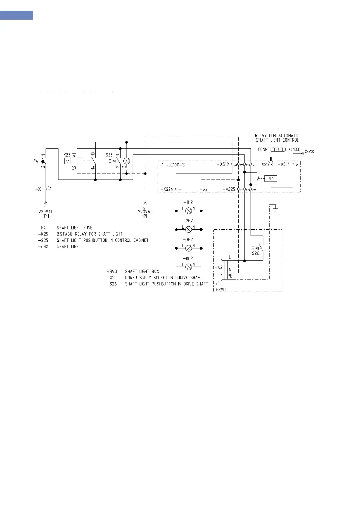
On LC100-S board there are also connectors for connecting the drive shaft light with LED indicator and controling
the status for automatic control of the light (the light is powered automaticly when the inspection mode is on). Shaft
lighting is controled by relay RL1 with output parameter XC10.2.
- XS19 input connector for shaft light power supply.
- XS25 connector for shaft light box in the drive shaft pit.
- XS24 connector for shaft light.
Shaft light connection diagram:

Table of Contents