EasyManua.ls Logo

MLC LC100 - Page 14

MLC LC100
148 pages
Print Icon
To Next Page IconTo Next Page
To Next Page IconTo Next Page
To Previous Page IconTo Previous Page
To Previous Page IconTo Previous Page
Loading...
14
LC100 Instruction manual
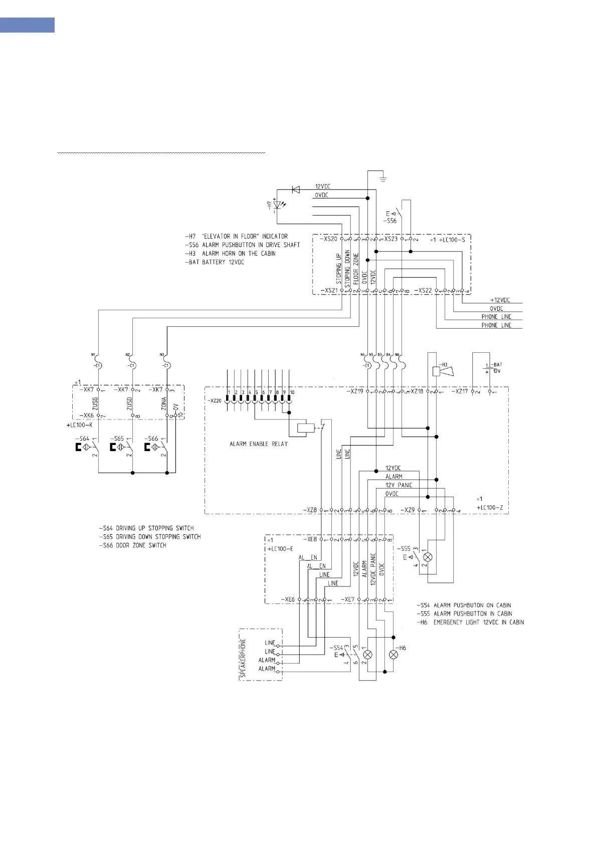
Connectors XS20 to XS23 are use to connect to a voice device in the cabin, emergency power supply,
alarm buttons, and indicator "elevator in the station "
- XS20 output connector is used for connecting "elevator in the station " indicator, and connecting safety
module for aplications whith releveling or preopening the doors..
- XS21 input connector for signals from the cabin (travelling cable)
- XS22 connector for speaker phone in machine room.
- XS23 connector for alarm pushbutton in drive shaft.
Alarm and speaker phone connection diagram:

Table of Contents