EasyManua.ls Logo

NMC-WOLLARD 100 - Page 272

NMC-WOLLARD 100
848 pages
Print Icon
To Next Page IconTo Next Page
To Next Page IconTo Next Page
To Previous Page IconTo Previous Page
To Previous Page IconTo Previous Page
Loading...
NMC-WOLLARD 2021Truax Blvd., Eau Claire, WI 54703, Phone (715) 835-3151, Fax (715) 835-6625
M100 Tow Tractor Manual No. 46052
PAGE 34
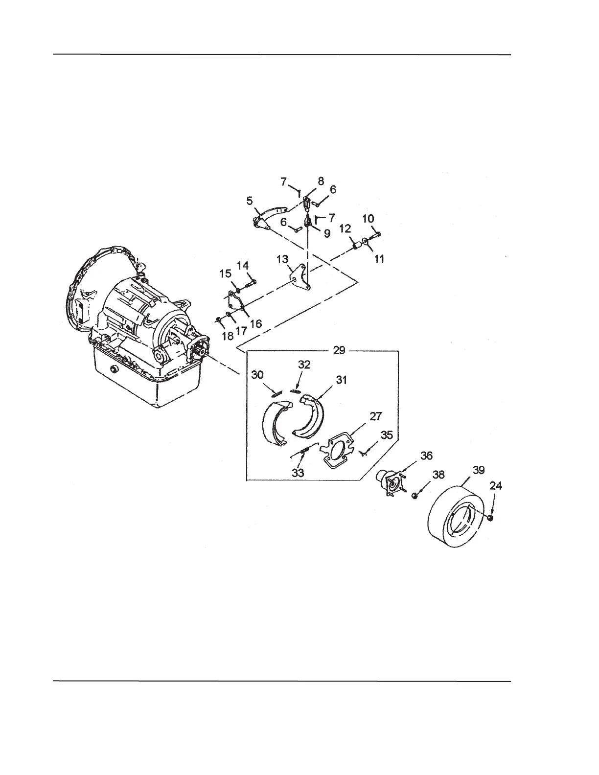
CHAPTER 4 REPAIR PARTS
FIGURE 13.
BRAKE - ALLISON TRANSMISSION PARKING
JANUARY 31, 2007
4 ILLUSTRATED PARTS LIST

Table of Contents

Related product manuals