EasyManua.ls Logo

NMC-WOLLARD 100 - Page 554

NMC-WOLLARD 100
848 pages
Print Icon
To Next Page IconTo Next Page
To Next Page IconTo Next Page
To Previous Page IconTo Previous Page
To Previous Page IconTo Previous Page
Loading...
NMC-WOLLARD 2021Truax Blvd., Eau Claire, WI 54703, Phone (715) 835-3151, Fax (715) 835-6625
M100 Tow Tractor Manual No. 46052
PAGE 316
CHAPTER 4 REPAIR PARTS
4 ILLUSTRATED PARTS LIST
JANUARY 31, 2009
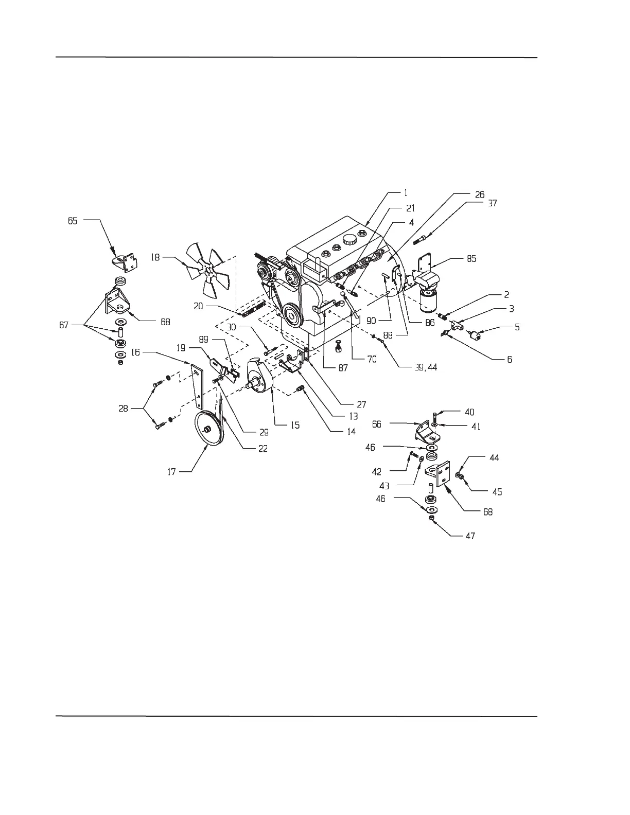
FIGURE 132.
ENGINE/ TRANSMISSION MOUNTING, PERKINS 1104-44 T2/C6
1 OF 2

Table of Contents

Related product manuals