EasyManua.ls Logo

RHOSS ELECTA Series - Page 226

RHOSS ELECTA Series
Print Icon
To Next Page IconTo Next Page
To Next Page IconTo Next Page
To Previous Page IconTo Previous Page
To Previous Page IconTo Previous Page
Loading...
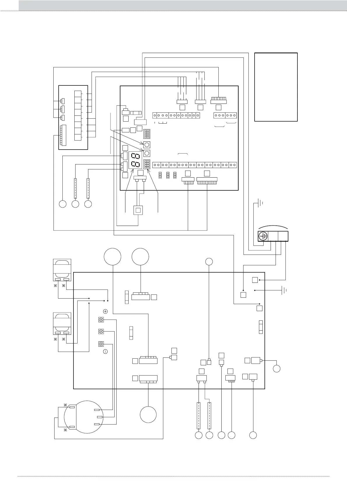
THAITY 116
BL
GR
OR
Y
COLOR OF WIRE
: BLACK
: WHITE
: RED
: GREEN
: BROWN
B
W
R
G
BR
: BLUE
: GRAY
: ORANGE
: YELLOW
Temp. Water
Supply System
Sanitary Tank
Water Sensor
Dew Point
Sensor
Remote
On/Off
Remote
Cool/Heat
12V
Sig.
GND
Out Signal
0-10V
Power Supply
24V 3VA
Set Point 2
LAN
RS485
Night
Mode
IN
COM
12V
Outdoor
Elec.Heat
Sanitary
Room
Thermostat
Pump 1
Input
Pump 1-2
Ext.Heat
Source
F
L
L
K
J
C
D
E
A
Out Pump 2
3W.V.Sanitary
Dehumidifier
I
H
G
-
+
G
Temp.
1
2
3
4
5
6
7
8
9
10
11
12
13
14
26
27
+
-
PCB
(INTERFACE)
TRANSFORMER
SENSOR
(TEMP.,DEFROST)
TERMINAL BLOCK
L
N
POWER
R
G/Y
W
R
BB
GR
W
BL
Y
W
B
W
B
SENSOR
(Air Ext.)
SENSOR
(In W.)
SENSOR
(Out W.)
30
44
32
40
35
33
SW 5
SW 6
SW 7
31
42
FUSE CF1
(250V T10A)
41
43
39
BR GR BLYORR B
BACK SIDE CONTROLLER
DO DO DO DO DO
N
DO DO
66123 44
W
BR
GR
B
BL
W
Y
R
OR
MODE SW.
DISPLAY
SW 3
RESET SW.
PUMP SW.
B
W
PCB
(MAIN)
H.P.SW.
EXP.V.
4 WAY V.
DEFROST HEATER
SENSOR
(TEMP.,SUCTION)
SENSOR
(TEMP.,DISCHARGE)
28
25
21
13 14
11
22
29
8
9
MOTOR
(FAN)
MOTOR
(FAN)
upper
lower
PUMP
U
V
W
WVU
RWB
OR
Y
Y
OR
COMPRESSOR
OHR
REACTORREACTOR
FUSE CF2
(250V T5A)
GR
B
3
2
1
FUSE CF6
(250V T3.15A)
FUSE CF7
(250V T3.15A)
B
B
B
B
BL
W
B
R
226
Leitungsquersch II: Installation und Wartung
DE

Table of Contents

Related product manuals