EasyManua.ls Logo

RHOSS ELECTA Series - Page 317

RHOSS ELECTA Series
Print Icon
To Next Page IconTo Next Page
To Next Page IconTo Next Page
To Previous Page IconTo Previous Page
To Previous Page IconTo Previous Page
Loading...
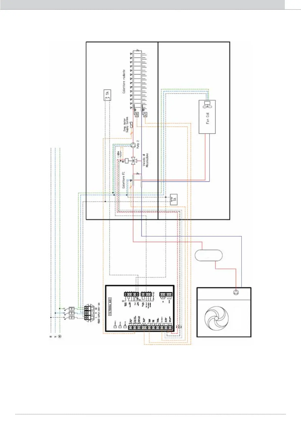
Hier ein Beispiel für eine mögliche Anlagenlösung, wenn die KCTR nicht verwendet wird.
Abb. 2: Anlagenlösung für die Klimatisierung von zwei Räumen, eine mit Strahlungsanlage und eine andere mit Ventilatorkonvektor, beide über Raum-
thermostat gesteuert. Der Raumthermostat des Raumes mit Ventilatorkonvektor gibt Pump 1 frei und steuert den Übergang zu Sollwert 2.
Der Raumthermostat des Raumes mit Strahlungsanlage gibt Pump 1 über ein abgetrenntes Relais frei.
Zudem sind zwei Sicherheitsthermostate an der Strahlungsanlage vorgesehen: eine Hochtemperaturanlage am Vorlaufkollektor steuert die Öffnung
des Schalters “Remote On/Off” und eine Niedrigtemperaturanlage am Rücklaufkollektor, die die Schließung des Schalters “Dew Point Sensor” steuert.
ELECTA
317
Anlagen DE

Table of Contents

Related product manuals