EasyManua.ls Logo

Samsung DVM PLUS III - Page 143

Samsung DVM PLUS III
748 pages
Print Icon
To Next Page IconTo Next Page
To Next Page IconTo Next Page
To Previous Page IconTo Previous Page
To Previous Page IconTo Previous Page
Loading...
II-103
I
NDOOR
U
NITS
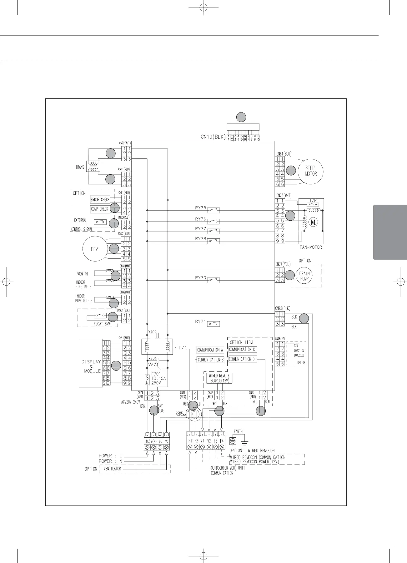
8-6. Electrical wiring diagram
16
18
17
9
12
15
11
10
13
1
8
6
5
7
2
3
14
4
MICOM Download
chapter2_Indoor units(052~107) 3/14/08 22:15 Page 103

Table of Contents

Other manuals for Samsung DVM PLUS III

Related product manuals