EasyManua.ls Logo

Samsung DVM PLUS III - Page 496

Samsung DVM PLUS III
748 pages
Print Icon
To Next Page IconTo Next Page
To Next Page IconTo Next Page
To Previous Page IconTo Previous Page
To Previous Page IconTo Previous Page
Loading...
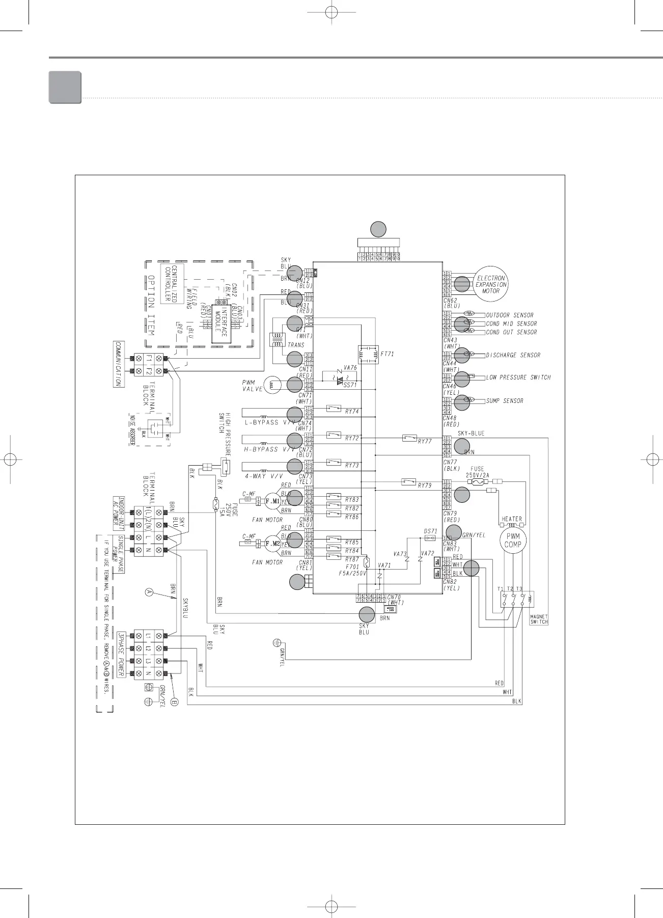
Outdoor Units
III-314
2
2
Mini DVM
2-6. Electrical wiring diagram
3) RVXMHF050G/RVXMHF060G
1
2
3
4
6
7
5
8
9
10
11
12
13
14
15
16
17
19
20
21
22
18
MICOM Download
CN91(WHT)
1
2
3
1
2
3
OPT1(WHT)
3-2.mini_Outdoor unit(294~321) 3/15/08 4:06 Page 314

Table of Contents

Other manuals for Samsung DVM PLUS III

Related product manuals