EasyManua.ls Logo

Samsung DVM PLUS III - Page 500

Samsung DVM PLUS III
748 pages
Print Icon
To Next Page IconTo Next Page
To Next Page IconTo Next Page
To Previous Page IconTo Previous Page
To Previous Page IconTo Previous Page
Loading...
Outdoor Units
III-318
2
2
Mini DVM
A
R
H
s
E
B
N
H
C
D
J
P
Q
F
G
L
O
K
S
T
s
s
E
I
M
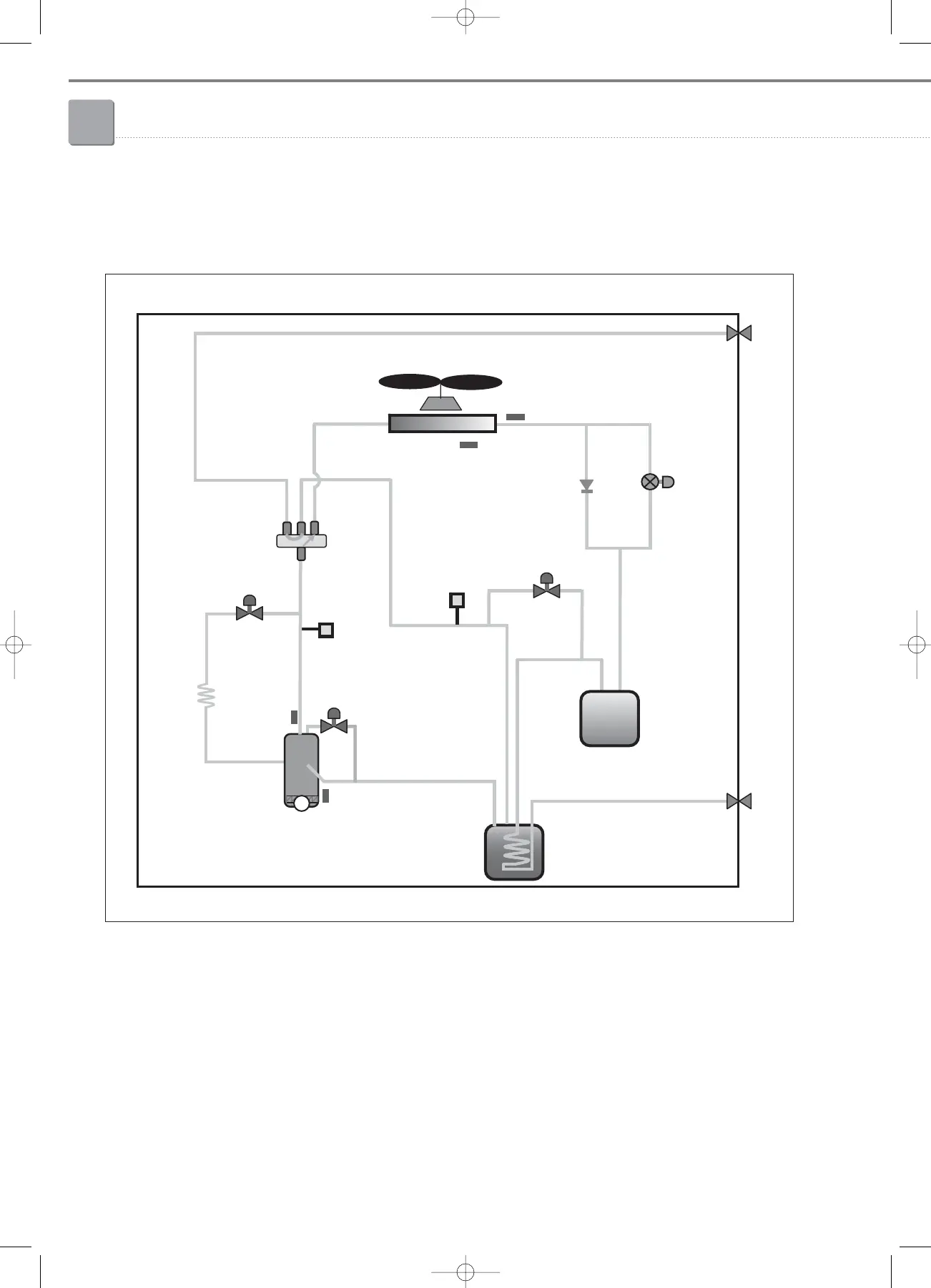
2-9. Cycle operation mode
2) Cycle diagrams
(1) RVXMHF040/050/060✴✴ (Mini DVM - 4/5/6 HP)
3-2.mini_Outdoor unit(294~321) 3/15/08 4:06 Page 318

Table of Contents

Other manuals for Samsung DVM PLUS III

Related product manuals