EasyManua.ls Logo

Sanyo PLC-HF15000L - Fan Control System

Sanyo PLC-HF15000L
312 pages
To Next Page IconTo Next Page
To Next Page IconTo Next Page
To Previous Page IconTo Previous Page
To Previous Page IconTo Previous Page
Loading...
-172-
Troubleshooting
12VFAN1_SW
Q3601
IC3601
Q3603Q3602
12VFAN1
12VFAN2
S16V_FAN
12VFAN2_SW
Q3621
IC3621
Q3623Q3622
12VFAN2
12VFAN3_SW
PF_FAN9
PF_FAN8
PF_FAN7
PF_FAN6
PF_FAN5
PF_FAN4
PF_FAN2+3
PF_FAN1
PF_FAN9
PF_FAN8
PWM_1
PWM_2
PWM_3
PWM_4
Q3641
IC3641
IC3681
IC3691
IC3661
IC3662
PWM_5
PWM_6
PWM_7
PWM_8
IC4601
IC4611
PWM_9
PWM_FAN1
PWM_FAN2
PWM_FAN3
PWM_FAN4
PWM_FAN5
PWM_FAN6
PWM_FAN7
PWM_FAN8
PWM_FAN9
PWM_FAN9
PWM_FAN8
IC4671
Q3643Q3642
12VFAN3
K77S
K77L
LAMP SIGN
RGB FANNET
PFC NET1
DC POWER
K77K
K27K
K27J
K67G
K67H
K27M
K36E
K36F
K36K
K36L
K36G
K36J
S24.5V_IN
S16V_IN
24VFAN1_SW
Q3611
Q3613
24VFAN2_SW
Q3616
24VFAN1
Q3612
24VFAN2
Q3614
24VFAN3
Q3615
24VFAN4
24VFAN3_SW
Q3618
24VFAN4_SW
Q3620
Q3617
24VFAN5
Q3619
24VFAN6
PWM_CLK
IC4661
BUFFER
IC5681
I/O
EXPANDER
<M62320>
FAN_CONT1
FAN_CONT2
FAN_CONT3
FAN_CONT4
FAN_CONT5
FAN_CONT6
FAN_CONT7
FAN_CONT8
IC5691
DAC
<M62393>
24VFAN1_SW
24VFAN2_SW
24VFAN3_SW
24VFAN4_SW
12VFAN1_SW
12VFAN2_SW
12VFAN3_SW
FAN_CONT9
IC5692
DAC
<M62393>
IC4662
BUFFER
WAVE OSCILATOR
PWM CONVERTOR
PWM CONVERTOR
PWM CONVERTOR
FN907 FN909
D4621
D4623
Q4652
Q4651
IC4631
INVERTER
Q4654
11 9 7 5 3 1 7 6 5 4
1
K36M
1
2
5
6
4
3
2
3
1
2
3
K36A
1
|
4
9
|
12
18
FANDAC_SDA_S5V
FANDAC_SCL_S5V
AC-DC POWER K6F
FN915
1
2
3
1
1
2
2
3
4
6
7
8
9
K77T
FN916
1
2
3
K77U
FN917
1
2
3
K77V
FN918
1
2
3
K27N
FN910
1
2
3
K27P
FN911
1
2
3
K27Q
FN912
1
2
3
K27R
FN913
1
2
3
K27S
FN914
1
2
3
PWM_FAN4
PWM_FAN4
PWM_FAN5
PWM_FAN6
PWM_FAN7
PWM_FAN6
PWM_FAN7
PWM_FAN2
PWM_FAN3
PWM_FAN5
PS_FAN4
PS_FAN5
PS_FAN6
PS_FAN7
PS_FAN5
PS_FAN4
PS_FAN6
PS_FAN7
12VFAN1
12VFAN2
12VFAN3
Q2721
Q2701
Q2711
IC2791
INVERTER
Q2781
Q2761
Q2771
Q2795
Q2793
Q2794
IC2793
INVERTER
Q2731
Q2741
IC2792
INVERTER
PF_FAN2+3
Q2791
PF_FAN4
PF_FAN5
PF_FAN6
PF_FAN7
Q2792
Q2751
1
2
3
4
6
7
8
9
K67A
FN901
1
2
3
K67B
FN902
1
2
3
K67C
FN903
1
2
3
K67D
FN904
1
2
3
K67E
FN905
1
2
3
K67F
FN906
1
2
3
PWM_FAN8
PWM_FAN9
24VFAN1
24VFAN2
24VFAN5
24VFAN3
24VFAN4
24VFAN6
Q9703
Q9701
Q9702
IC2791
INVERTER
Q9741
Q9742
IC2792
INVERTER
PF_FAN8
Q9704
PF_FAN9
Q9744
Q9743
5
6
4
3
6
7
4
5
11
9
7
5
3
1
FAN
Error: L
FAN
Error: L
FAN
Error: L
FAN
Error: L
Power-On
H
PWM_FAN1
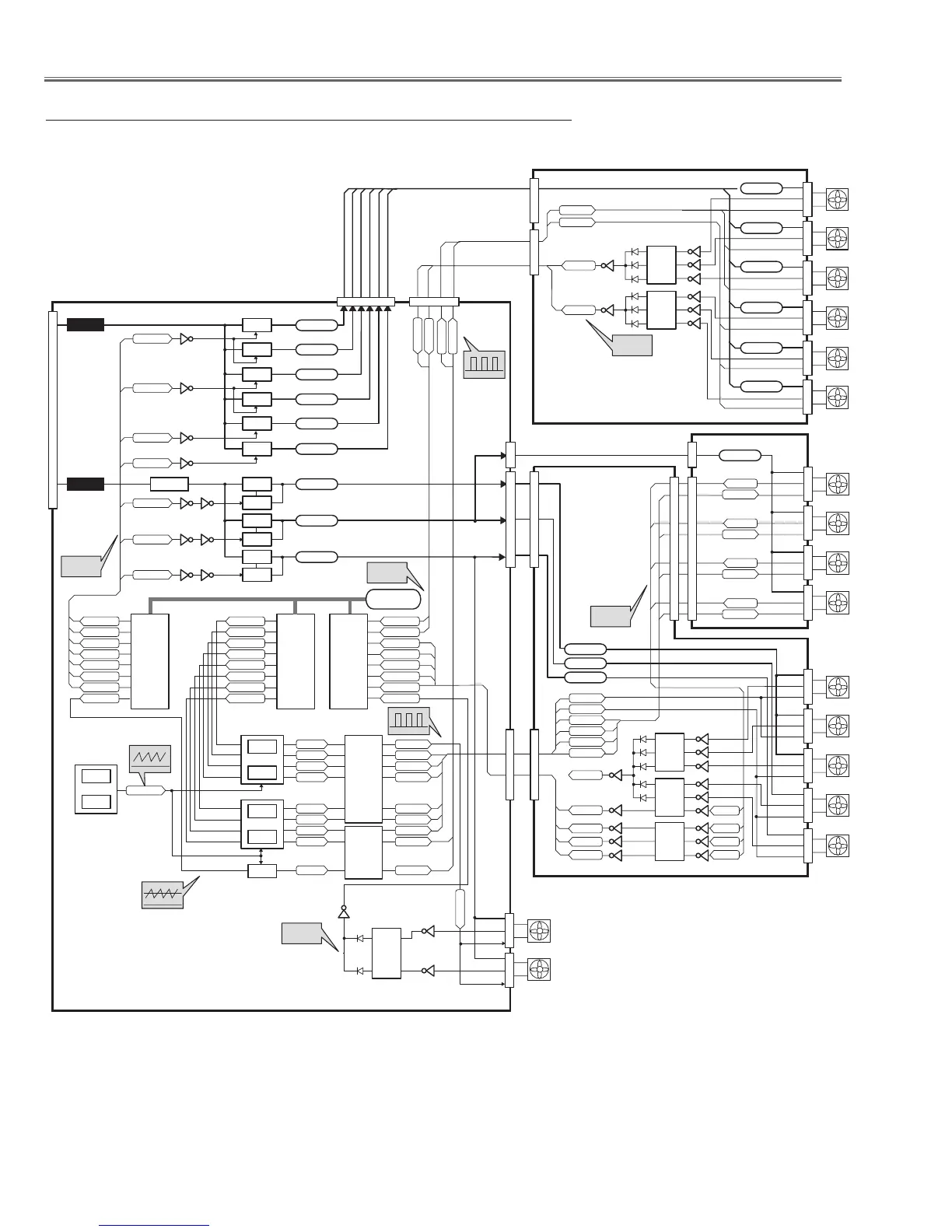
Fan control system

Table of Contents

Other manuals for Sanyo PLC-HF15000L

Related product manuals