EasyManua.ls Logo

Siemens 6RA7086-6KS22

Siemens 6RA7086-6KS22
734 pages
To Next Page IconTo Next Page
To Next Page IconTo Next Page
To Previous Page IconTo Previous Page
To Previous Page IconTo Previous Page
Loading...
Function diagrams 05.05
8-26 SIEMENS AG 6RX1700-0AD76
SIMOREG DC Master Operating Instructions
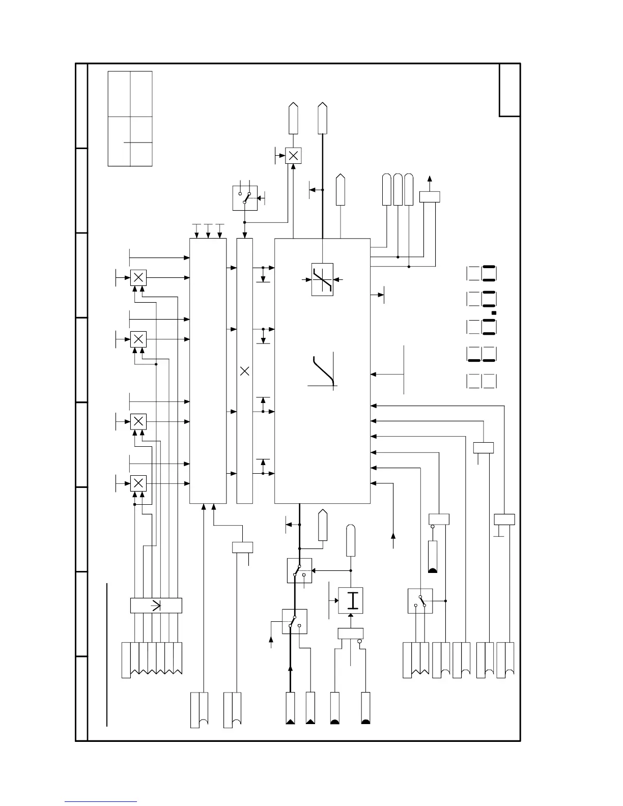
Sheet G136 Ramp-function generator (1)
y = 0
y
1
1
0 0 P303 - P306
0 1 P311 - P314
1 0 P307 - P310
2 3
87564321
- G136 -
.01
.02
x
0
1
1
0
0
1
&
T
0
1
.01
.02
1
.04
.03
.05
.06
KK0047
[G135.7]
[G136.8]
[G180.6]
[G180.6]
[G182.6]
[G182.6]
[G180.8]
[G180.6]
[G127.6] [129.6] [130.7]
[G182.2]
[G151.3]
[G153.4]
[G136.1]
[G137.3]
&
0
1
32104
5
6
7
15
r027
dv/dt
P542.F
K0191
K0190
B0208
B0207
B0209
P637.B (0)
B
P638.B (0)
B
r316
r315.1 r315.2 r315.3 r315.4
B0161
P307.F
P311.F
P308.F
P312.F
P309.F
P313.F
P310.F
P314.F
P636 (1)
K
K
P303.F P304.F
P305.F
P306.F
K0190
P639 (167)
K
K0192
r028
P640.B (0)
B
P641.B (0)
B
P646.B (1)
B
P319.F (0,00)
(0,00...10,00 s)
0%
K
B0104
B0104
K0193
B0211
K
K
K
K
P647.B (1)
B
P317.F(0)
60
1
P330.F(0)
0:
1:
2:
3:
4:
5:
7:
15:
Parameter selection
RFG-setting 2
RFG setting 3
Lower transition
rounding
Upper transition
rounding
... RFG setting 1 [s]
... RFG setting 2 [s]
Setpoint
RFG output
RFG input
... RFG setting 3 [s]
from starting integrator control
(see P302)
Time difference [s]
This changeover to RFG settings 2 and 3
has priority over the input of RFG setting 3
by the starting integrator control
Ramp-function generator (1)
Enable setpoint from
control word 1
ramp-up
ramp-down
RFG active
to status word 1
Select bypass ramp-
function generator
Ramp-function
generator setting
Effective
parameters
n-act +
n-act -
RFG status
Enable ramp-function generator from
control word 1 (with "0"-Signal: y=0)
Enable changeover of starting integrator
Ramp-up time Ramp-down time
Shutdown
Bypass ramp-function generator from sheets
"Fixed setpoint", "Inching setpoint", "Crawling setpoint"
Operating state - -, I or II
ON delay
Setting value
Set ramp-function
generator
Run
Ramp-function generator
start from control word 1
Effective times for emergency stop (OFF3):
P296.F Ramp-down time
P297.F Lower transition rounding
P298.F Upper transition rounding
Control parameter
P295.F Overshoot
P302.F Starting integrator
P318.F Set RFG on shutdown
Deceleration distance
RFG tracking
Enable RFG tracking
Lower transition
rounding
Upper transition
roundingRamp-up time Ramp-down time
Display of RFG status on r316
Ramp-function generator enable
Ramp-function generator start
Setpoint enable & /OFF1
Set ramp-function generator
Track ramp-function generator
Bypass ramp-function generator
Ramp-down
Ramp-up

Table of Contents

Related product manuals