EasyManua.ls Logo

Siemens 6RA7086-6KS22

Siemens 6RA7086-6KS22
734 pages
To Next Page IconTo Next Page
To Next Page IconTo Next Page
To Previous Page IconTo Previous Page
To Previous Page IconTo Previous Page
Loading...
Function diagrams 05.05
8-32 SIEMENS AG 6RX1700-0AD76
SIMOREG DC Master Operating Instructions
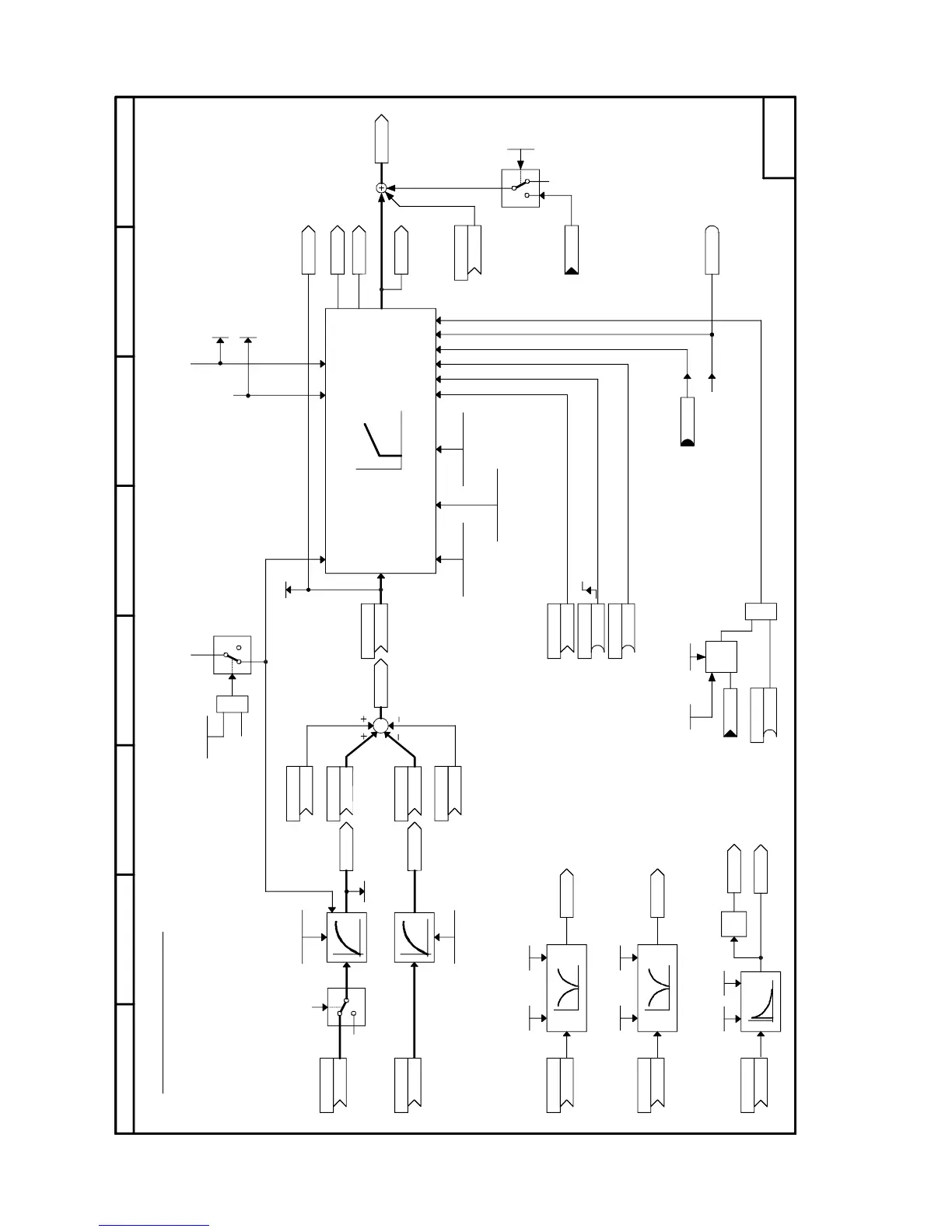
Sheet G152 Speed controller (2)
-1
T1 Tv
Kp Tn
0%
1
0
&
B
A
B<A
87564321
- G152 -
1
0
0
1
[G151.4]
[G151.7]
[G181.5]
[G163.4]
[G153.7]
[G181.5]
[G151.3]
P627 (178)
K K0169
K0168
P625.F(170)
K
P626.F(167)
K
K0161
K0148
P620 (165)
K
P631 (0)
K
P695.B (0)
B
P696.B (0)
B
B0205
P223.F (0)
K0174
K0179
dn
P621 (176)
K
P622 (174)
K
P623 (179)
K
P624 (0)
K
K0165
K0162
P206.F (0)
(0 ... 100ms)
P205.F (0)
(0 ... 1000ms)
P228.F (0)
(0 ... 10000 ms)
P200.F (0) (0...10000ms)
P502 (0)
K
K0160
K0164
P222.F
K0166
P698.B (1)
B
r026
P229.F (0)
0%
1
r023
r219
r218
P221.F
P230.F (0) 0...10000 ms
P628 (179)
K
K0177
P202.F (0) (0...3) P201.F (1) (1...140Hz)
P629 (177)
K
K0178
P204.F (0) (0...3) P203.F (1) (1...140Hz)
P234.F (1) 0...1
P224.F (1) 0...3
K0171
B0204
[G137.5]
[G151.3]
[G153.2]
[G187.2]
[G152.1]
[G153.1]
[G151.8]
[G152.1]
[G152.1]
[G152.2]
[G152.2]
[G152.3]
[G153.2]
[G151.3]
[G160.1]
[G160.2]
n(set, smooth)
n(act, smooth)
n(act)
n(set,limit)
Speed controller (2)
M(set,n contr.)
Set.val.I-comp.n contr.
Contr. dev.
Set I-comp. n contr.
Stop I-comp. n contr.
Smooth. n(set)
Smooth. n(act)
Friction and moment of
inertia compensation
Speed controller
setpoint/act. val. deviation
I component
P component
Absolute actual
speed value
Switchover speed
Switchover to P controller
Enable speed controller from
control word 2 and sequencing control
Master/slave drive from control word 2:
Make I component follow on slave drive
so that M(set, n contr.) = M(set, limit) and set
speed setpoint = actual speed value (K0179)
Fast stop
Fast stop
Stop I component when
α
G
-limitation,
current limitation, torque limitation, speed
limiting controller reached
Speed controller integration time
from Sheet Speed controller 1
Speed controller P gain
from Sheet Speed controller 1
Hysteresis
Setting period of I-comp.n contr.
n(act)
n(act,filter)
quality Resonant frequency
n(act)
n(act,filter)
quality Resonant frequency
0 = set P component to zero
Control word for speed
controller I component

Table of Contents

Related product manuals