EasyManua.ls Logo

Siemens 6RA7086-6KS22

Siemens 6RA7086-6KS22
734 pages
To Next Page IconTo Next Page
To Next Page IconTo Next Page
To Previous Page IconTo Previous Page
To Previous Page IconTo Previous Page
Loading...
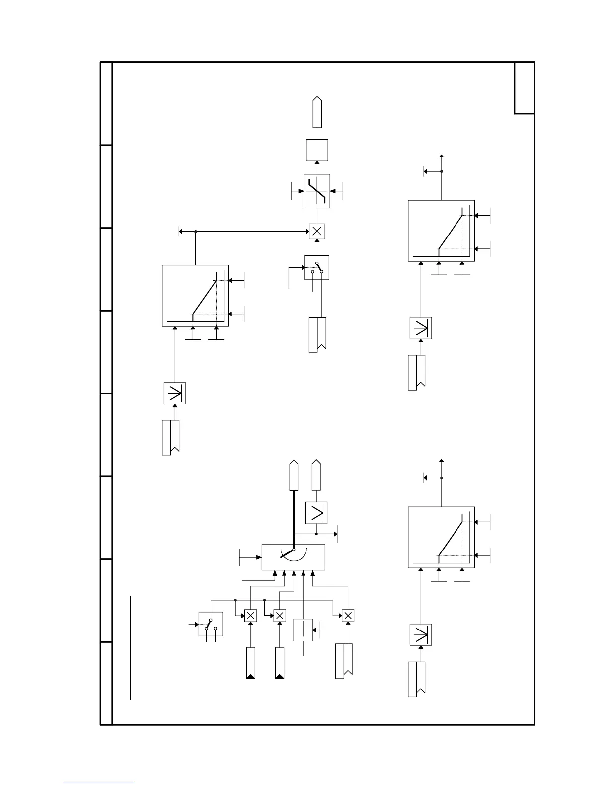
05.05 Function diagrams
SIEMENS AG 6RX1700-0AD76 8-31
SIMOREG DC Master Operating Instructions
Sheet G151 Speed controller (1)
0 %
1
0
-1
y
x
x
y
87564321
- G151 -
y
x
x
y
[G152.6]
[G181.5]
[G152.3]
[G152.7]
0
1
2
3
0%
135,05
P115
*
4
1
0
1
-1
[G200.3]
[G113.8]
[G145.7]
y
x
x
y
[G152.6]
r218
P554.F (0)
P551.F (0,650)
(0,010 ... 10,000)
P557.F (0,00)
(0,00 ... 100,00 %)
P560.F (0,00)
(0,00 ... 100,00 %)
P226.F (0,650)
(0,010 ... 10,000)
K
P630 (162)
K
K0176
r219
P553.F (0)
P550.F (3,00)
(0,10 ... 200,00)
P556.F (0,00)
(0,00 ... 100,00 %)
P559.F (0,00)
(0,00 ... 100,00 %)
P225.F (3,0)
(0,10 ... 200,00)
P562.F(100,00)
(0,00...199,99%)
P563.F(-100,00)
(-199,99...0,00%)
r217
P555.F (0)
P552.F (0,0)
(0,0 ... 10,0)
P558.F (0,00)
(0,00 ... 100,00 %)
P561.F (0,00)
(0,00 ... 100,00 %)
P227.F (0,0)
(0,0 ... 10,0)
K
K
P083.F
K0166
K0167
r025
K0013
P115.F
K0040
P609 (0)
K
[G152.1]...
[G152.4][G160.1]
[G161.3][G165.2]
Speed controller (1)
dn(droop)
I comp. n contr.
n contr. Kp(act)
n contr. Kp1
Adap.point 1 Adap.point 2
P225.F (3.0)
(0.10 ... 200.00)
n contr. Kp2
Enable droop from
control word 2
Adap.point 1 Adap.point 2
n contr. droop Kp1
n contr. droop Kp2
n contr. droop Kp (act)
Adaptation of the P gain
Droop (with adaptation)
Speed controller P gain
to Sheet Speed controller 2
Main actual value
Actual value from
pulse encoder
Internal
actual EMF
value
Reverse polarity of actual speed value on field
reversal and applied negative field direction
from Sheet "Field reversal with
SIMOREG single-quadrant device"
n contr. Tn(act)
n contr. Tn1
Adap.point 1 Adap.point 2
n contr. Tn2
Adaptation of the integration time
Speed controller integration time
to Sheet Speed controller 2
Selection of actual speed value

Table of Contents

Related product manuals