EasyManua.ls Logo

Siemens 6RA7086-6KS22

Siemens 6RA7086-6KS22
734 pages
To Next Page IconTo Next Page
To Next Page IconTo Next Page
To Previous Page IconTo Previous Page
To Previous Page IconTo Previous Page
Loading...
Function diagrams 05.05
8-34 SIEMENS AG 6RX1700-0AD76
SIMOREG DC Master Operating Instructions
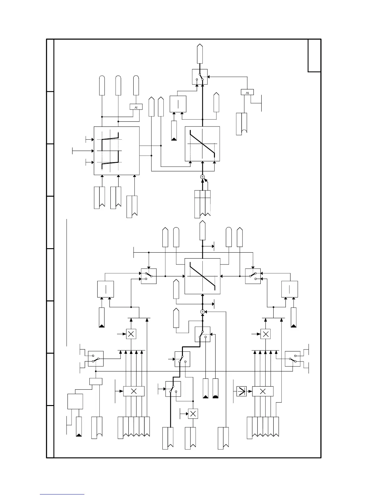
Sheet G160 Torque limitation, speed limit controller
2
1
x
y
.01
.02
.03
.04
10
&
B
A
B>A
.01 <1>
.02 <1>
.03 <1>
.04 <1>
10
10
10
M
ϕ
K
y2
y1
y2 y1
x
x
1
0
.01
.02
0
141
x
y
1
0
1
0
87564321
- G160 -
1
M
ϕ
M
ϕ
.05
.05 <1>
1
[G151.3]
[G166.5]
[G166.5]
[G182.7]
[G152.8]
[G166.5]
[G181.5]
[G151.3]
[G163.2]
[G163.2]
[G163.2]
[G152.8]
[G137.5]
[G161.1]
[G161.1]
P501.B (0)
K
P500.B(170)
K
P607.B(148)
K
P605 (2)
K
K
K
K
K0166
P184.F (0,00)
P180.F
P182.F
P181.F
P183.F
K0290
K0290
P512.F (105,0)
(0,0...199,9 %)
P513.F (-105,0)
(-199,9...0,0 %)
P515.F (3,00)
(0,10...200,00)
Kp
P510 (2)
K
P511 (4)
K
B0201
K0140
K0134
K0290
K0137
K0136
P170.F (0)
P601
K
K
K0141
P694.B (0)
B
P606 (9)
K
K
K
K
K0148
P084 (1)
B0111
r022
K0147 K0145
r021
K0143
B0202
K0144
B0203
<2>
<2>
<2>
<2>
P171.F(100,0%)
P172.F(-100,0%)
P169.F
P509 (167)
K
<2>
<2>
B0192
B0193
P100.F
________
r072.002
P100.F
________
r072.002
K
K
<2>
<2>
P173.B (0)
B
P503.F(100%)
M(set, n contr.)
Torque limitation, speed limit controller
Minimum
Torque limit
changeover
Changeover speed
Maximum
<1> When P606.0x = 9, the positive limit
selected via P605.0x acts with inverted
sign as a negative limit
Motor flux
Motor flux
Upper torque
limit active
Lower torque
limit active
M(set, limit)
Changeover between
current control and
torque control
Mlimit2(act)
Mlimit1(act)
Motor flux
Speed limit controller
n(max,pos. rot.)n(max,neg. rot.)
Limit controller active
Master/slave drive
from control word 2
(0 = master, 1 = slave)
Emergency stop
Iset
<2>With this Parameters, 100% corresponds
to the rated motor armature current (P100)
(n act)
Absolute actual speed
Pos. speed limit reached
Neg. speed limit reached
M(set, n contr.)
FS
Minimum
Maximum

Table of Contents

Related product manuals