EasyManua.ls Logo

Siemens 6RA7086-6KS22

Siemens 6RA7086-6KS22
734 pages
To Next Page IconTo Next Page
To Next Page IconTo Next Page
To Previous Page IconTo Previous Page
To Previous Page IconTo Previous Page
Loading...
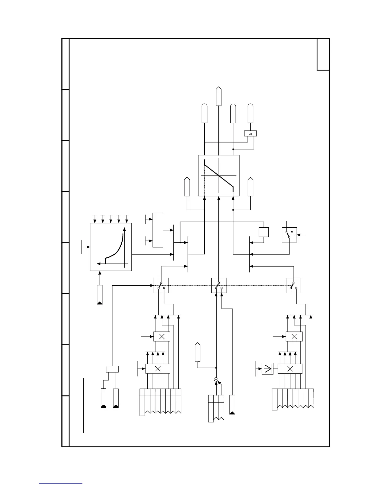
05.05 Function diagrams
SIEMENS AG 6RX1700-0AD76 8-35
SIMOREG DC Master Operating Instructions
Sheet G161 Current limitation
1
0
1
.01
.02
.03
.04
1
0
1
0
x
y
x
y
.03
.04
0
-1
.05
87564321
- G161 -
1
.06
.07
.01
.02
.03
.04
.05
.06
.07
[G180.8]
[G182.7]
[G151.3]
[G160.3]
[G160.8]
[G162.1]
[G163.2]
P075 P077
P104 (n1)
P105 (i1)
P106 (n2)
P107 (i2)
P108 (n3)
P109 (0)
K0133
K0147
P604 (9)
K
K
K
K
K0131
K0120
K0132
K0166
B0161
B0111
P601
K
K
134
K
B0200
B0194
B0195
P171.F *)
(100,0%)
P603
K
K
K
K
K
K
K
1
1
1
1
1
2
2
P172.F *)
(-100,0%)
P100.F
________
r072.002
P100.F
________
r072.002
K
K
Current limitation
I limit
|n act|
Speed-depend. current
limit
t monitoring of
power section
Minimum
9=neg. signal effective
acc. to P603.xx
-150% * P077
(4Q converter)
0%
(1Q converter)
Armature
current setpoint
Lowest pos.current limit
"+Ia_limit"
Highest pos.current limit
"-Ia_limit"
Shutdown
Emergency stop
Min.
pos. current limit
neg. current limit
Absolute
actual speed
Minimum
Maximum
*) With these parameters, 100% corresponds to the
rated motor armature current (P100)
Current limitation active
Armature current controller
setpoint before current limitation
1Q/4Q converter
Max.
FS
Pos. current limit reached
Neg. current limit reached
(see Section 9)
FS
Min.
Min.
Max.
Max.

Table of Contents

Related product manuals