EasyManua.ls Logo

Siemens 6RA7086-6KS22

Siemens 6RA7086-6KS22
734 pages
To Next Page IconTo Next Page
To Next Page IconTo Next Page
To Previous Page IconTo Previous Page
To Previous Page IconTo Previous Page
Loading...
Function diagrams 05.05
8-36 SIEMENS AG 6RX1700-0AD76
SIMOREG DC Master Operating Instructions
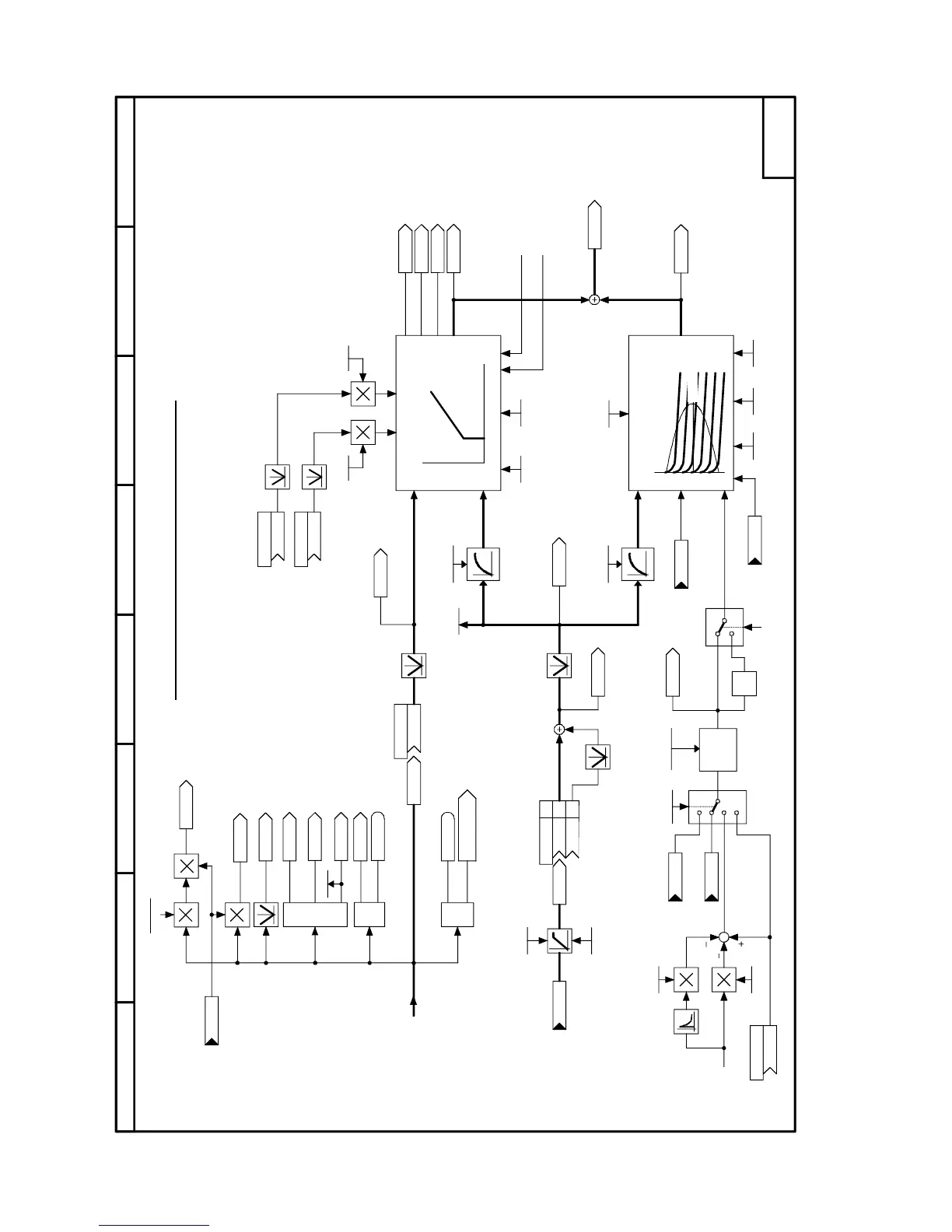
Sheet G162 Closed-loop armature current control
-
+
Kp Tn
MII
MI
-1
*
M0
87564321
- G162 -
K0122
.05
.06
r019*)
[G166.5]
[G161.8]
[G163.2]
[G163.2]
[G163.1]
[G163.1]
1
0
2
3
U
a
i
a
P110.F
P111.F
Ra
La
i ...
a
i ...
a
i ...
a
P157.F
P158.F
P110.F
P111.F
K0102
K0113
K0111
K0112
K0110
K0121
P155.F P156.F
K0305
K0120
r020*)
K0118
K0119
P602 (117)
KK0117
K0114
K0116
K0290
K0142
K0115
K0306
P153.F
P164.F
P154.F
P163.F (3)
K0123
K0124
P162.F (1)
P601
K
K0125
125
0
K
P176.F(1)
P175.F(1)
K
K
P191.F (0)
(0...10000ms)
P190.F (0)
(0...10000ms)
K0107
K0109
K0103
B0190
K0149
P100.F
r072.002
B0057
P193 (287)
K
i ...
a
i ...
a
P079(0)
Current controller-armature
Actual torque
Motor flux
internal actual
armature current
Set armature
current
Actual value
Precontrol_armature
V_control_A
I_armature_set
Control word
armature precontrol
Line frequency
Line voltage (armature)
Requested torque
direction
α
G
α
W
or limitation reached
*) The following applies with these parameters
or connectors:
100% corresponds to the rated
motor armature current (P100)
Closed-loop armature current control
Armature current controller
set/actual diff.
P comp.
I comp.
output
Setpoint
Absolute actual
armature current
Switchover between reduced
gearbox stressing and
current setpoint integrator
Acceleration time for
reduced gearbox stressing or
current setpoint integrator
Armature
circuit
resistance
Armature
circuit
inductance
stop I component
Average value over
1 current peak
0=Reset P
comp.
0=Reset I
comp.
Calculated EMF
Measured actual
EMF value
Filtering/
averaging
FS
Filter time
Filter time
Average value over
6 current peaks *)
I component :=0
from sheet "Auto-reversing stage,
armature gating unit":
Average value over
6 current peaks
Conducting angle
Pulsating current
Overcurrent
monitoring
Fault F030
EMF
measured armature current
12-pulse
if P079=2

Table of Contents

Related product manuals