EasyManua.ls Logo

Siemens 6RA7086-6KS22

Siemens 6RA7086-6KS22
734 pages
To Next Page IconTo Next Page
To Next Page IconTo Next Page
To Previous Page IconTo Previous Page
To Previous Page IconTo Previous Page
Loading...
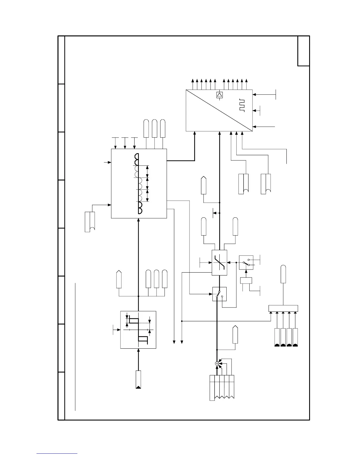
05.05 Function diagrams
SIEMENS AG 6RX1700-0AD76 8-37
SIMOREG DC Master Operating Instructions
Sheet G163 Auto-reversing stage, armature gating unit
0.05%
I
0
II
P159
α
α
G
W
1
87564321
- G163 -
[G162.7]
[G162.7]
[G162.4]
[G152.6]
[G161.7]
[G160.8]
[G160.5]
[G160.5]
.01
.02
.03
.04
[G117.7]
[G163.7]
[G163.5]
MI 1
MI 2
MI 3
MI 4
MI 5
MI 6
MII 1
MII 2
MII 3
MII 4
MII 5
MII 6
=
0
1
1
P159.F
P151.F
P150.F
r018
K0100
K0101
P165.B(220)
B
B0204
B0200
B0201
B0202
B0203
P179
P160
P161
K0106
B0196
B0197
P177 (1)
B
P178 (1)
B
P160.F
(0,000s)
K0119
102
0
0
0
P600
K
K
K
K
B0220
B0221
B0222
P161.F (0)
P179.F (0)
[G162.7]
[G165.1]
P152.F
P826.ii
P079
B0230
B0231
B0232
165°
P192.F
Auto-reversing stage
α
W
shift
"Enable a torque direction with
torque direction changeover"
Requested
torque direction
Auto-reversing stage, armature gating unit
I=0 signal
Changeover threshold
Limitation active
Current limitation
Limitation controller
Upper torque limit
Lower torque limit
active
0...Enable signal for M0 or MII
1...Enable signal for M0 or MI
Enabled torque direction
for parallel drive
α
G
-limit reached
α
W
-limit reached
0 = No torque direction
1 = Torque direction I
2 = Torque direction II
no immediate
pulse disable
fire all thyristors
simultaneously
Additional
dead interval
α
G
α
W
or
limitation reached
stop I component
I component :=0
to sheet "Closed-loop armature current control":
FS
Instantaneous pulse disable on E Stop
Number of additional
α
W
pulses
with disabled second pulses
Number of additional
α
W
pulses
with enabled second pulses
1 = Torque direction I active
1 = Torque direction II active
Armature
gating unit
Short/long
pulses
Filtering of line
frequency
tracking
Correction of
zero passages
1 = No torque direction
1 = Torque direction I
1 = Torque direction II
continuous
current

Table of Contents

Related product manuals