EasyManua.ls Logo

Siemens 6RA7086-6KS22

Siemens 6RA7086-6KS22
734 pages
To Next Page IconTo Next Page
To Next Page IconTo Next Page
To Previous Page IconTo Previous Page
To Previous Page IconTo Previous Page
Loading...
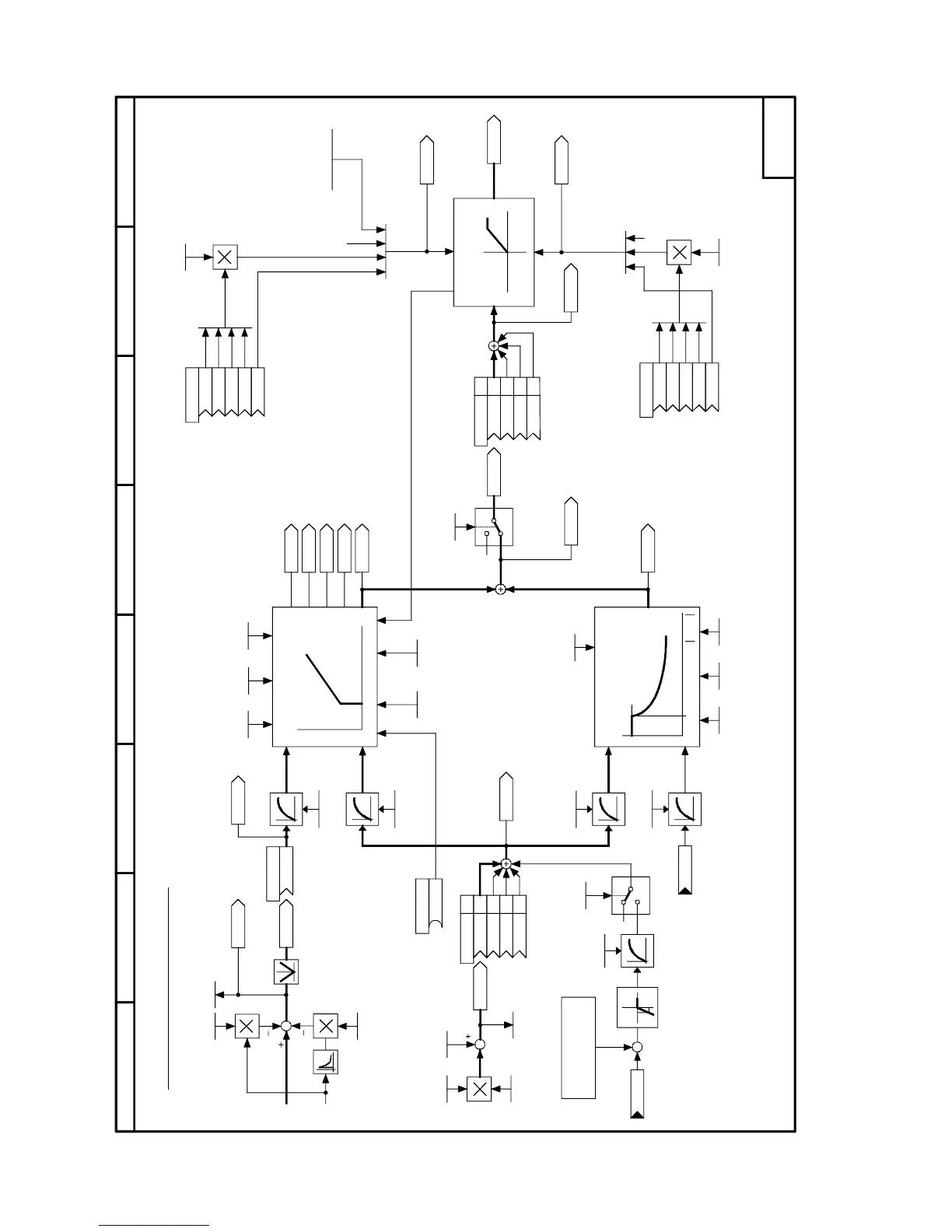
Function diagrams 05.05
8-38 SIEMENS AG 6RX1700-0AD76
SIMOREG DC Master Operating Instructions
Sheet G165 Closed-loop EMF control
-
+
.01
.02
.03
.04
.01
.02
.03
.04
1
0
100%
.01
.02
.03
.04
277
0
0
0
Kp Tn
.01
.02
.03
.04
289
0
0
0
-
0%
1
2
α
-
+
1
0
u
a
i
a
87564321
- G165 -
.05
.05
[G151.3]
[G163.2]
[G116.2]
[G166.1]
r037
P119.F P120.F
P139.F
P616 (286)
K
K0286
K0285
K0287
P614 (1)
K
K
K
K
P613 (1)
K
K
K
K
P081
K0276
K0278
K0277
P611
K
K
K
K
K0283
K0284
K0281
K0282
K0280
K0293
P273.F
P275.F
P276.F P277.F
P693.B (1)
B
P615
K
K
K
K
K0288
K0289
r039
P100.F
P101.F
P110.F
P272
K0101
K0166
P118.F
K0273
K0275
K0274
P103.F
P102.F
P110.F
P111.F
r073.002
0%
P284.F P274.F
K
K
P282.F (0)
(0...10000ms)
P281.F (0)
P280.F (0)
(0...10000ms)
P283.F (0)
P276.F
Ra
EMF
Ra
La
FS
EMF controller
Actual
value
Setpoint
Enable EMF
controller
Automatic field reduction if
EMF too high for braking operation
EMF controller precontrol
I_field_set
100% of P102
n_f-w start n_act
EMF_set
Absolute actual
speed
n_rated
to
field characteristic
n_f-w start = P119*EMF_set/P118
Stop I component
Field current
setpoint limitation
Minimum motor
field current
Minimum
With operating status >=o10 :
Setpoint upper limit ="old" K265
With operating status >=05 :
Setpoint upper limit = 200%
("Release")
Field current
setpoint
Closed-loop EMF control
EMF controller set/actual diff.
EMF controlller set/actual diff. after droop
EMF controller P comp.
EMF controller I comp.
EMF controller output
Droop
Ia_rated
Ua_rated
P151 - 5 degrees
or (pulsating)
165 degrees - 5 degrees
EMK_rated
Rated motor
field current
Enable
precontrol
u ...
a
i ...
a
measured armature voltage
measured armature current
Upper field current
setpoint limit
Lower field current
setpoint limit
Minimum
Maximum
Minimum
0=Reset
P comp. to
zero
0=Reset
I comp. to
zero
FS
Filter time
Filter time

Table of Contents

Related product manuals