EasyManua.ls Logo

Siemens 6RA7086-6KS22

Siemens 6RA7086-6KS22
734 pages
To Next Page IconTo Next Page
To Next Page IconTo Next Page
To Previous Page IconTo Previous Page
To Previous Page IconTo Previous Page
Loading...
Function diagrams 05.05
8-52 SIEMENS AG 6RX1700-0AD76
SIMOREG DC Master Operating Instructions
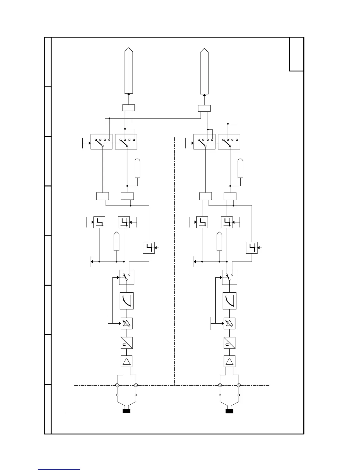
Sheet G185 Motor interface (1)
87564321
204
205
22
23
#
1
1
1
0
2
3
1
0
2
3
- G185 -
X174
X164
<1>
<1>
<1>
<1>
1
1
1
2
<3>
<3>
#
1
2
<4>
<4>
1
0
2
3
1
0
2
3
1
1
<2>
<2>
CUD1
CUD2
01:2
02:2
15:2
01:2
02:2
15:2
<5>
<5>
P491.F
P492.F
r012.02
P490.01
P491.F
P492.F
K0051
r012.01
0,6 s
P490.02
K0052
P493.F
P494.F
B0184
B0185
0,6 s
1...KTY84 (P490.01=1)
2...PTC (P490.01=2,3,4,5)
1...KTY84 (P490.02=1)
2...PTC (P490.02=2,3,4,5)
Motor interface (1)
Motor temperature
alarm (analog)
Motor temperature 1
Select
temperature sensor
Alarm temperature
Trip temperature
Motor temperature
fault analog 1
Motor temperature
alarm analog 1
1 = "Alarm A029"
Motor temperature 2
Select
temperature sensor
Alarm temperature
Trip temperature
Motor temperature
fault analog 2
Motor temperature
alarm analog 2
Motor temperature
fault (analog)
1 = "Fault F029"
(PTC alarm) 01:1
(PTC trip) 02:1
(KTY84) 15:1
(PTC alarm) 01:1
(PTC trip) 02:1
(KTY84) 15:1
<1> Parameter r012 and connectors K0051 / K0052 output valid values only if a KTY84 is selected.
When a PTC is selected, r012 and K0051 / K0052 always output "0".
PTC response temperature
PTC response temperature
<2> Response temperature used depends on the type of PTC
<5> Use a shielded cable and connect it to ground at both ends

Table of Contents

Related product manuals