EasyManua.ls Logo

Siemens 6RA7086-6KS22

Siemens 6RA7086-6KS22
734 pages
To Next Page IconTo Next Page
To Next Page IconTo Next Page
To Previous Page IconTo Previous Page
To Previous Page IconTo Previous Page
Loading...
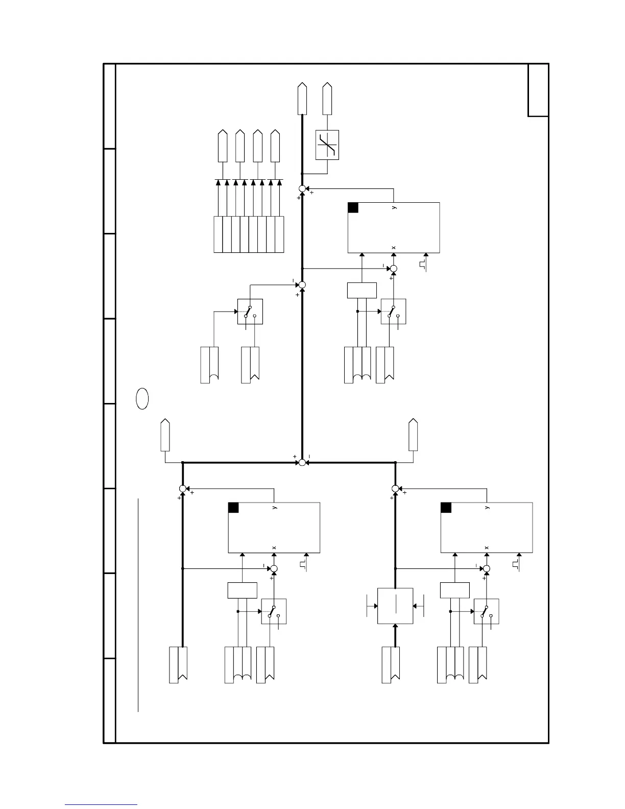
05.05 Function diagrams
SIEMENS AG 6RX1700-0AD76 8-79
SIMOREG DC Master Operating Instructions
Sheet B152 Position/positional deviation acquisition
87564321
- B152 -
54
1
0
0
U673
U674
*
.01
.02
.03
.04
.05
.06
.07
.08
<1>
<1>
.01
.01
.02
1
SET
(y=x)
POWER ON
RESET
<2>
1
0
0
.01
.02
.03
.04
1
SET
(y=x)
POWER ON
RESET
<2>
1
0
0
.02
.05
.06
1
SET
(y=x)
POWER ON
RESET
(y=0)
<2>
1
0
0
.03
[G145.7]
[B153.1]
<3>
<3>
KK9483
K9484
U671 (0)
B
B
U672 (9471)
KK
U671 (0)
B
B
U672 (9472)
KK
U670 (46)
KK
U670 (0)
KK
KK9482
KK9481
U673.F(10000)
U671 (0)
B
B
U672 (9473)
KK
U675 (0)
B
U676 (9474)
KK
KK9471
KK9472
KK9473
KK9474
U677 (0)
U677 (0)
U677 (0)
U677 (0)
U677 (0)
U677 (0)
U677 (0)
U677 (0)
U674.F(10000)
Reset
Set
Priority:
1. RESET
2. SET
Priority:
1. RESET
2. SET
Fixed values for set values
The output connectors are calculated
by the following formula:
KK9471 = 65536*U677.002 + U677.001
KK9472 = 65536*U677.004 + U677.003
KK9473 = 65536*U677.006 + U677.005
KK9474 = 65536*U677.008 + U677.007
That makes high-resolution setting possible.
Priority:
1. RESET
2. SET
Position/positional deviation acquisition
Position
actual value 1
Position 1
Position 1
Set value
Reset
Set
Position
actual value 2
Position 2
Position 2
Set value
Reset
Set
Positional deviation
Set value
Positional deviation
transformation ratio
Subtract offset
positional deviation
Offset positional deviation
<1> U873 must be set less than or equal to U674
(otherwise F058 is output with fault value 14)
<2> from voltage monitor for electronics power supply
y=initial value
y=initial value
<3> Initial value is dependent on U678
= 0: Initial value = 0
= 1: Initial value is set such that on POWER ON KK9481 or KK9482 assumes whatever
its setting value was before the electronics supply was disconnected.

Table of Contents

Related product manuals