EasyManua.ls Logo

Siemens 6RA7086-6KS22

Siemens 6RA7086-6KS22
734 pages
To Next Page IconTo Next Page
To Next Page IconTo Next Page
To Previous Page IconTo Previous Page
To Previous Page IconTo Previous Page
Loading...
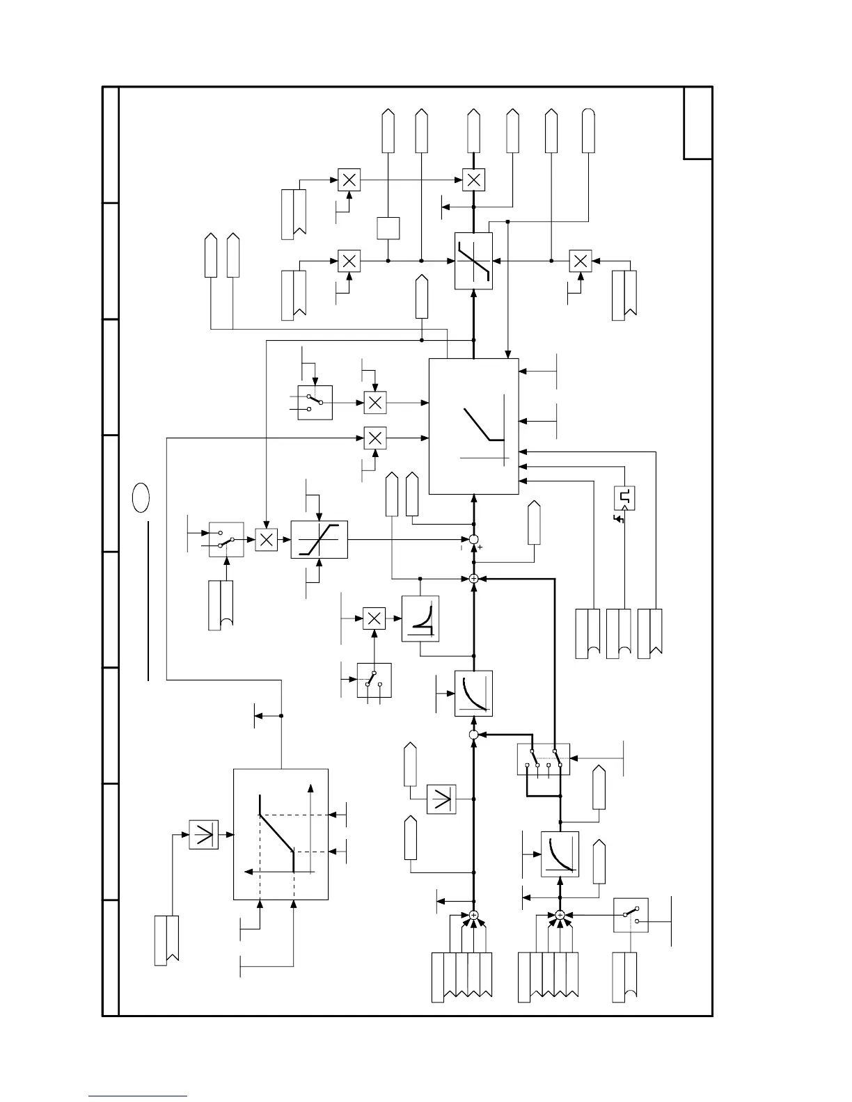
Function diagrams 05.05
8-88 SIEMENS AG 6RX1700-0AD76
SIMOREG DC Master Operating Instructions
Sheet B170 Technology controller
87564321
1
0
0
1
0%
0%
-
+
0,10...30,00
10
10
0%
Y2
Y1
Y
X1 X2 X
Y
X
Kp Tn
x
y
1
0
1
1000
1
1000
.01
.02
.03
.04
.01
.02
.03
.04
10
-1
*
- B170 -
114
<1>
<1>
[B170.8]
[B170.7]
U490.F
(0,00)
U480 (0)
K
K
K
K
U484 (0)
K
K
K
K
K9243
n017
U487.F(0,00)
K9244
U489 (0)
K
U492.F
(1,00)
U493.F
(1,00)
U491.F
(100,00)
U482.F(0,000)
U483.F(0)
U497.F(0,0)
U498.F
(100,00)
U499.F
(-100,00)
K9242
K9246
U494.F
(3,000)
U488.F
(3,00)
U495.F(0)
U505 (0)
K
K9247
K9248
U508.F
(100,0)
U507 (1)
K
U512.F
(100,0)
U511 (1)
K
K9252
U510.F
(100,0)
U509 (9252)
K
K9250
K9254
K9253
K9251
n019
n018
U500 (0)
B
U506 (0)
B
U486 (0)
B
U496 (0)
B
0,00...200,00%
B9499
n016
K9240 K9241
U481.F(0,00s)
0,10...30,00
U485.F (0,00)
U502.F (0)
U503.F (1) U504.F (1)
K9245
K9249
Kp-factor
0 = D component acts only in actual-value channel
1 = Normal PID controller: D component is applied for control deviation
Enable technology controller
P component
I component
technology controller
Setpoint
Actual value
Tresholds
Filter time [s]
Inject additional
setpoint
Droop injection
Kp adaptation
Set I component
D component
Setting value for I component
Filter time
Technology controller
Technology controller
output
Setpoint
0 = Reset P
component
0 = Reset I
component
Positive limit
Negative limit
Controller at
output limit
Kp-factors
Stop I component

Table of Contents

Related product manuals