EasyManua.ls Logo

Siemens 6RA7086-6KS22

Siemens 6RA7086-6KS22
734 pages
To Next Page IconTo Next Page
To Next Page IconTo Next Page
To Previous Page IconTo Previous Page
To Previous Page IconTo Previous Page
Loading...
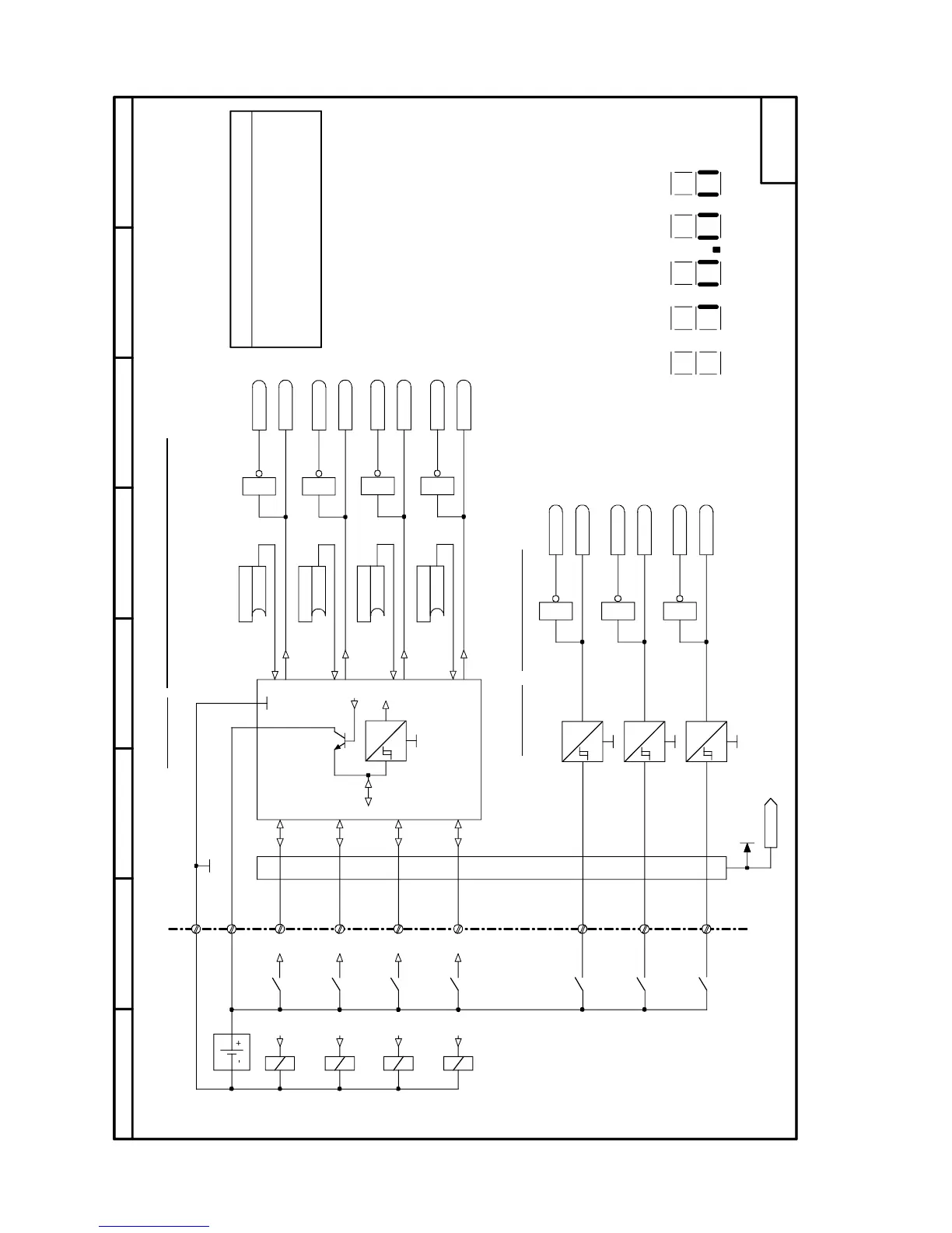
Function diagrams 05.05
8-116 SIEMENS AG 6RX1700-0AD76
SIMOREG DC Master Operating Instructions
Sheet Z114 1
st
EB1: 4 bidirectional inputs- / outputs, 3 digital inputs
8
7
564321
- Z114 -
24V
5V
24V
5V
1
24V
5V
24V
5V
2
3
2
4
2
5
2
6
2
0
2
1
2
2
43 42 41 4046 45 44
24V
1
1
1
1
1
1
38
39
43
44
45
46
40
41
42
DIO1
DIO2
DIO3
DIO4
DI1
DI2
DI3
B5116
B5117
B5114
B5115
B5112
B5113
Out
In
B5104
B5105
U769.1 (0)
B
Out
In
B5106
B5107
U769.2 (0)
B
Out
In
B5108
B5109
U769.3 (0)
B
Out
In
B5110
B5111
U769.4 (0)
B
Out
In
Out/In
Out In
K5106
n770.1
M_external
Display of terminal states in n770.1 on the PMU
4 bidirectional inputs / outputs1st EB1:
1st EB1: 3 digital inputs
Outputs
Inputs
NOTICE
If one of the terminals 43 to 46 is to be used as an
input, the corresponding output must be set to
"0" (transistor blocked)!
Example: Terminal 45 = input => U769.3=0
Outputs
Inputs

Table of Contents

Related product manuals