EasyManua.ls Logo

Siemens SIMPRO-100 - Page 155

Siemens SIMPRO-100
240 pages
Print Icon
To Next Page IconTo Next Page
To Next Page IconTo Next Page
To Previous Page IconTo Previous Page
To Previous Page IconTo Previous Page
Loading...
SIMPRO-100
Control Equations & Relay Logic
B
PRIM-2400C 153
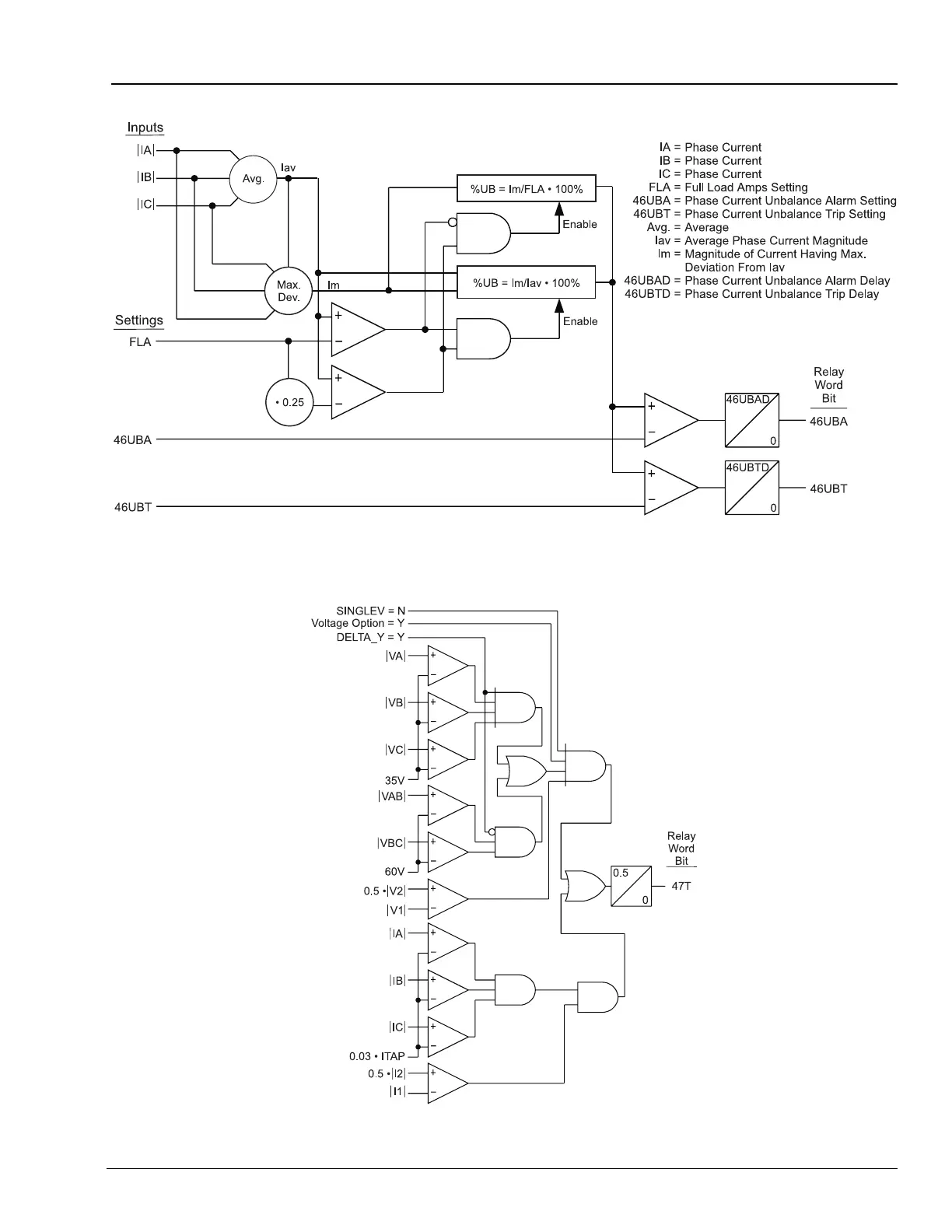
Figure B.12 Current Unbalance Element Logic
Figure B.13 Phase Reversal Element Logic

Table of Contents

Related product manuals