EasyManua.ls Logo

Siemens SIMPRO-100 - Page 156

Siemens SIMPRO-100
240 pages
Print Icon
To Next Page IconTo Next Page
To Next Page IconTo Next Page
To Previous Page IconTo Previous Page
To Previous Page IconTo Previous Page
Loading...
B
Control Equations & Relay Logic
SIMPRO-100
154 PRIM-2400C
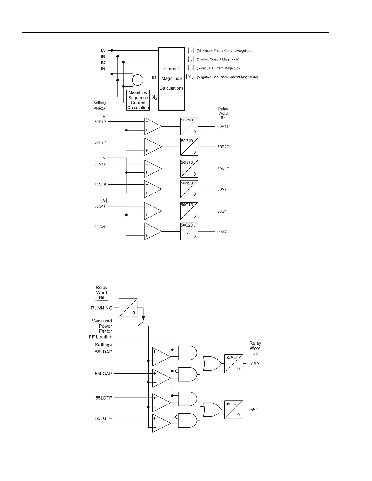
Figure B.14 Overcurrent Element Logic
Figure B.15 Power Factor Elements Logic

Table of Contents

Related product manuals