EasyManua.ls Logo

Siemens SIPROTEC 4 7VE61 - Page 239

Siemens SIPROTEC 4 7VE61
330 pages
To Next Page IconTo Next Page
To Next Page IconTo Next Page
To Previous Page IconTo Previous Page
To Previous Page IconTo Previous Page
Loading...
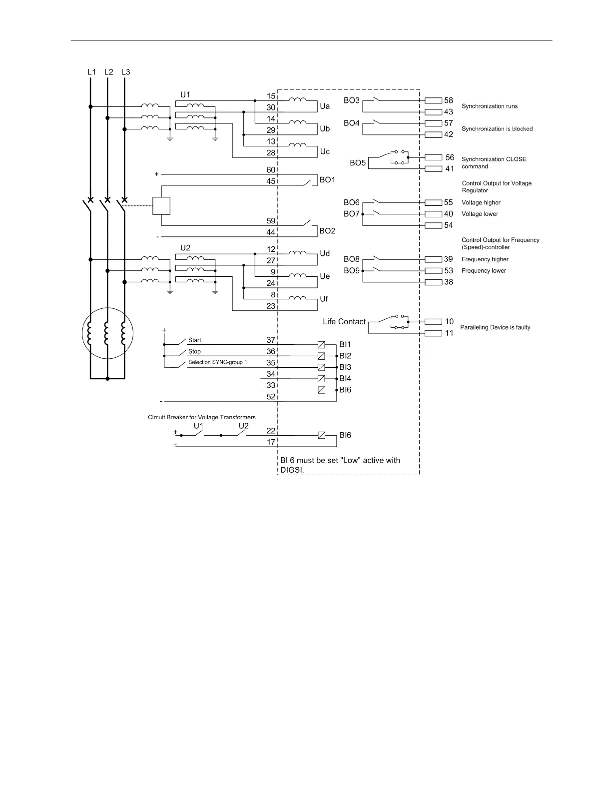
[ve61-anschussbeisp-kompl-aufbauausf, 1, en_GB]
Figure C-2
Connection circuit for the synchronization of a generator — Example 7VE61**-*E in surface
mounting case (panel surface mounting)
Connection Examples
C.1 7VE61 complete connection examples
SIPROTEC 4, 7VE61 and 7VE63, Manual 239
C53000-G1176-C163-3, Edition 10.2017

Table of Contents

Related product manuals