EasyManua.ls Logo

Ski-Doo FORMULA SL 1997 - Page 706

Ski-Doo FORMULA SL 1997
926 pages
Print Icon
To Next Page IconTo Next Page
To Next Page IconTo Next Page
To Previous Page IconTo Previous Page
To Previous Page IconTo Previous Page
Loading...
Section 03 ENGINE
Sub-Section 02 (599, 699 AND 809 ENGINE TYPES)
03-02-9
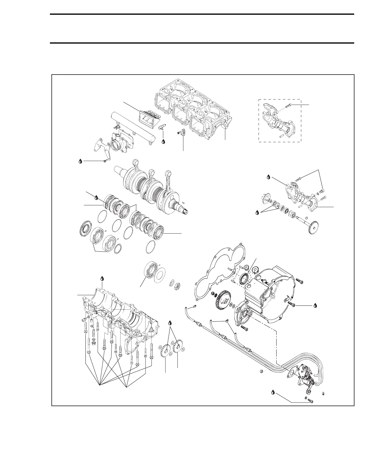
BOTTOM END
Anti-seize
lubricant
(P/N 413 7010 00)
A06C3PS
Loctite
242
Loctite
648
Molykote 111
(P/N 413 7070 00)
Silicone 732
RTV
10 N•m
(90 lbf•in)
Loctite
242
Loctite 242
Primer N
Loctite 515
M6: 12 N•m
(106 lbf•in)
M8: 30 N•m
(22 lbf•ft)
1
2
2
3
3
3
Grease
4
7
10 N•m
(90 lbf•in)
599 and 699
only
4
6
8
9
5
FLAT RATE
PARTS

Table of Contents