EasyManua.ls Logo

Sony DNW-A75 - Page 238

Sony DNW-A75
246 pages
Print Icon
To Next Page IconTo Next Page
To Next Page IconTo Next Page
To Previous Page IconTo Previous Page
To Previous Page IconTo Previous Page
Loading...
C-8
DNW-A75/A75P
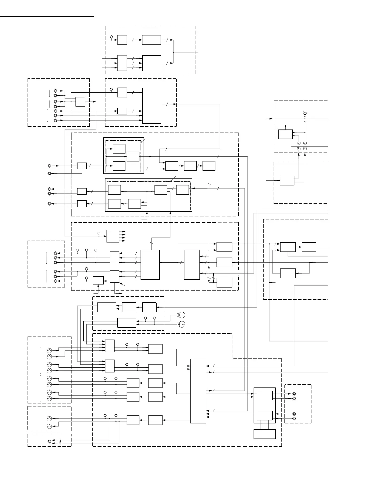
OVERALL (1/3) Block Diagram
SW
REF
10
A/D
10
ERASE
A/D
10
10
VITC
REMOVETBC
INPUTSDI
DECODE
DETECT
EDH
EDH
INSERT
SDI
ENCODE
AU(3/4)ch
AU(1/2)ch
AU(1/2)ch
10
10
2
10
GEN.
SETUP
P/S
S/P
10
VIDEO DATA
VIDEO DATA
10
10
COMPOSITE
VISC
10
10
10
10
P/S DATA
S/P DATA
AU(3/4)ch
PB DATA
H/V/FRAME/GOP
CK
AUCK
ENCODE
D/A
CHARA
MIX
D/A
GEN.
TIMING
CONTROL
FRAME
PROCESS
10
10
D/A
D/A
A/D
AUDIO
FILTER
AUDIO
FILTER
AU(1/2)ch
AU(3/4)ch
AU(1/2)ch
AU(3/4)ch
MONITOR(L/R)ch
CH1
CH2
CH3
CH4
AUDIO CH1
AUDIO CH2
CP-278
CP-301(1/2)
AUDIO
FILTER
D/A
L
R
CH1
CH2
SW
A/D
IC1
IC523,714
IC317(1/2)
IC306
IC403
IC429
TP405
TP403
TP401TP400 TP402
TP500
IC317(2/2)
IC118
TP101 TP201
IC180
ENCODE
MPX
IC107
DATA CK
DECODE
MPX
10
FILTER
IC209
AUDIO
PROSESS
REC GUARD
10
ANALOG BETACAM VIDEO
VIDEO
JOG
ANALOG BETACAM
ANALOG BETACAM
REC SEL
HEAD SEL
Y
R-Y
B-Y
PRE
1/2 OUT
3/4 OUT
1/2 IN
3/4 IN
AES/EBU
ENCODE
AES/EBU
DECODE
2
CP-335
CP-334(1/2)
CP-334(2/2)
DPR-118
EQ-75
(FROM SS-83)
SDI-41
VPR-47
DEC VIDEO
IC1300
SAMPLING
IC1302,1304
DEC-110
10
IC308
TP100
10
VIDEO
PROCESS
IC300
FREEZE
MEMORY
CONTROL
FRAME
IC251
8
CH3
CH4
SW
TP401
IC308
IC500
IC700IC701,801
IC501,601
TP700 TP800
TP500 TP600
TP301
TP900 TP1000
IC900,1000 IC975
TP102 TP202
CHARA SIG(FROM SS-83)
VR-223
HEAD PHONE
APR-40
RY301,401
RY101,201
NOISE
REDUCTION
DOLBY C
IC207
AFM
DEMOD
AFM
TBC
IC515IC703,704
IC602,603
AU-260
2
8
10
IC1102
2
2
AU(3/4)ch
AU(1/2)ch
AU(3/4)ch
AU(1/2)ch
AU(3/4)ch
AU(1/2)ch
AU(3/4)ch
AU(1/2)ch
8
8
RATE CONV.
BLOCK
ASSEMBLY
DRUM
HEAD CONT.
IC102
(IC301)
IC400 IC406
(IC604)
IC702
IC352
10
P/S
P/S DATA
IC806
EDH
INSERT
(IC802) (IC801)
SUPER-
IMPOSE
10
(IC503)(IC552)
AUDIO
210
AUDIO
(IC250)
(IC205)
IC362-365
NOISE
REDUCTION
IC800
CHARA SIG(FROM SS-83)
VISC(TO TBC-23A)
REC(EE)DATA
ANALOG BETACAM AFM
Tx TBC
Rx TBC
AUDIO(AES/EBU)
VIDEO INPUT
REF.VIDEO
COMPOSITE
COMPONENT
Y
R-Y
B-Y
ACTIVE
THROGH OUT
(SUPER)
INPUT
OUTPUT 1
OUTPUT 2
OUTPUT 3
SDI
VIDEO OUTPUT
Y
B-Y
R-Y
1
2
(SUPER)
3
COMPOSITE
COMPONENT
MONITOR OUTPUT
L
R
CH1
CH2
CH3
CH4
OUTPUT
CH1
CH2
CH3
CH4
INPUT
AUDIO(ANALOG)
(DIGITAL)
(FROM MS-58)
SV REF
ENC GOP
CONTROL
IC202
DELAY
MULTI-
PLEXER
A/D
10
COMPOSITE
DECODE
A/D
10 10
DEC-110
IC317
IC600
10
10
10
IC308
TP100
IC437
IC422
IC423
IC427
IC700
INPUT
VIDEO
PROCESS
IC306
(When the board is suffix 11 or 12)
On the board of suffix 11 or
1
is not provided this line.
this D/A converter is IC420.
When the board is suffix 11 or 12,
SDI DECODE PROCESS
IC201
SDI ENCODE PROCESS
IC502
*
*
When the board is suffix 11 or 13,
this range is the reference number
with ( ).
*:

Table of Contents

Related product manuals