EasyManua.ls Logo

Sony DNW-A75 - Page 239

Sony DNW-A75
246 pages
Print Icon
To Next Page IconTo Next Page
To Next Page IconTo Next Page
To Previous Page IconTo Previous Page
To Previous Page IconTo Previous Page
Loading...
C-9
DNW-A75/A75P
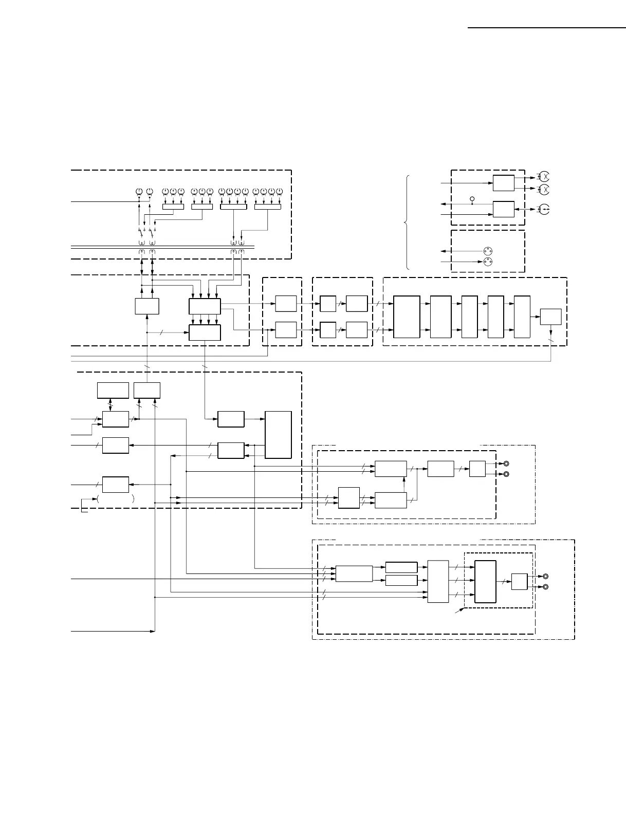
Block Diagram OVERALL (1/3)
SIGNAL PROCESSING SYSTEM
OVERALL (1/3)
DNW-A75/A75P
suffix 11/12/13 only.
On the board of
MPEG
LINE
IC906,907
IC911,IC913
IC906,IC908
When the board is suffix 11,this area is mounted
is the reference number on the DIF-109 board.
on the piggybacked DIF-109 board.(IC300)and(IC200)
2
2
TX B
TX C
SDTI-CP
OUTPUT 2
OUTPUT 1
IC20
(IC300)
(IC200)
P/S
10
I/F
PACK
SDTI-CP
IC30
8
8
TX A
8
IC702
IC1000
ENGINE
OUTPUT
IC906
SX to MPEG
SX to MPEG
8
8
8
IB to I
TRANSCODING
IC604,700,800,900
IC208,300,400,500
SDTI-CP OUTPUT,OPTION
DPR-150
(BKNW-124)
I/F TX
SDTI(SX)
SDTI(SX)
SDTI(SX)OUTPUT,OPTION
IC604(2/2)
IC604(1/2)
2
OUTPUT 1
OUTPUT 2
ANALOG BETACAM AFM
OUT
IN
TIME CODE
(BKNW-118)
8
TC-102
8
2
OUTER
ECC
IC600
FEED
AUDIO
DPR-119
2
A
V
VA
8
2
CNF B
CNF A
2
I/F
IC800
IC106
IC112
IC200 IC213
IC7
PROCESS
VAR X2
PROCESS
VAR X2
SW SW
PB B2
PB B6
PB A6
PB A2
PB A5
PB A1
PB B5
PB B1
TBC-23A
TO/FROM SS-83
DECODE
10
ANALOG BETACAM VIDEO
C RF
Y RF
ERASE CONT
LTC OUT
EXT LTC
CP-301(2/2)
10
P/S
IC111
IC110
IC500,501
AND
IC107,109IC104,105
TBC-24DM-89
MPXDOC
LCC
ENR
SETUP
Y
C
DEMOD
DEMOD
A/D
A/D DELAY
DELAY
REMOVE
PROCESS
DATA
VIDEO
MEMORY
IC202IC200
IC100 IC103
IC112,113
IC228
IC206
BRR
8
10
IC200
IC300
ESTIMATION
MOTION
ENCODE
ENCODE
IC402
ECC
IC201
DRIVER
REC
REC B
REC A
INNER ECC
DECODE
IC1603
IC1503
IC603
IC503
IC801
EQUALIZE
AU(1/2)ch
AU(3/4)ch
8
8
2
8
8
OUTPUT EN
2
2
DECODE
DATA PACK
VIDEO
DATA PACK
AUDIO
8
BRR
SW
PB CB
PB CA
PB YA
PB YB
ROTARY TRANS
REC B
REC A
TP102
SW
REC LTC
PB LTC
REC/PB
LTC
DRIVE
ERASE
LTC
LTC
ERASE
ERASE
FULL
DSP
10
10
10
10
8
2

Table of Contents

Related product manuals