EasyManua.ls Logo

Sony DNW-A75 - Page 243

Sony DNW-A75
246 pages
Print Icon
To Next Page IconTo Next Page
To Next Page IconTo Next Page
To Previous Page IconTo Previous Page
To Previous Page IconTo Previous Page
Loading...
C-13
DNW-A75/A75P
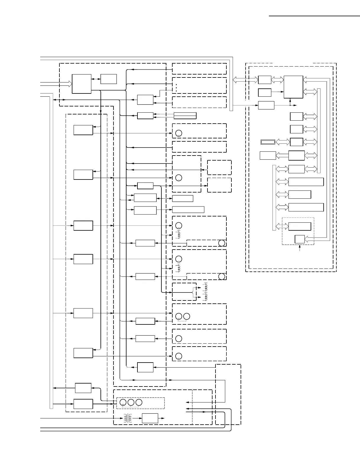
Block Diagram OVERALL (3/3)
SERVO/SYSTEM CONTROL SYSTEM (2/2)
DT CONTROL SYSTEM
OVERALL (3/3)
DNW-A75/A75P
SY3 CPU
numbers on the DIF-109 board.
(IC300)and (IC101)are reference
the piggybacked DIF-109 board.
this area is provided on
When the DPR-150 board is suffix 11,
ADDRESS
SY2 L(D BUS,A BUS,CS)
CN2 50P
RAM
BUFFER
BUS
DECODE
ADDRESS
IC114-120
EVR
IC10(IC101)
PACK
SDTI-CP I/F
IC30(IC300)
MPEG OUTPUT ENGINE
IC1000
SX to MPEG
IC702,906
PROCESS
TRANSCODING
IC300,400,500,700,800,900
BUFFER
DATA BUS
IC105-109
IC112
IC1100-1114,1120
IC1109
BUFFER
BUS
ROM
SY3
IC1103
L:SS RESET
L:SYS2 RESET
RESET
POWER ON
IC1118,1119
IC1100
RESET
CLOCK
OSC
40 MHz
X1100
IC1101-1103
BUFFER
BUS
OPTION
DPR-150
(BKNW-124)
RM-181/82(T)
RM-181/82(S)
SE-344(T)
SE-344(S)
SE-461
ASSEMBLY
SLIP RING
BURSH
SENSOR
CONDENSATION
ANA SG A/B
ANA DT A/B
DRUM ASSEMBLY BLOCK
MS-58
FG,PG
DEW
FG SHAPER
FG SHAPER
FG SHAPER
FG SHAPER
SENSORS
CASSETTE DOWN
SENSORS
CASSETTE-IN
REEL POSITION SENSORS
COMP. LAMP
COMP.
MOTOR
CASSETTE
(EEPROM)
NV-RAM
IC5,6
DRIVER
DETECT
REC GUARD
IC106
IC102-105
SHAPER
M001
M003
CLEANING SOL.
PM001
PINCH SOL.
PM002
PD-35
CASSETTE
DRUM MOTOR
IC4
DETECT
M007
CAPSTAN MOTOR
THREADING MOTOR FG
THREADING MOTOR
DRIVER
MOTOR
DRIVER
MOTOR
DRIVER
MOTOR
IC402
IC303
IC203,204
IC203
IC307
DRUM
THREADING
CAPSTAN
PM004
M006
T-REEL MOTOR
S-REEL BRAKE SOL.
BLOCK
CAPSTAN MOTOR
CCM-15(T)
PTC-54
IC9
DRIVER
DRIVER
MOTOR
MOTOR
IC305
T-REEL
DRIVER
MOTOR
CC UP/DOWN
POSITION
MOTOR
DR-315
S-REEL BRAKE SOL.
S-REEL MOTOR
Q907,908
LP-81
PC-70
CL-29
PTC-71
REEL SHIFT MOTOR
CCM-15(R)
TR-78
TR-79
PTC-59
CASSETTE'S TABS SENSOR
ROTALY TRANS
HEAD CONTROL
MPX
DECODE
DEGAUSSING HEAD
IC305
IC304
IC105
IC404
IC403
IC101,102
IC301,309
IC1
PM003
M005
CTL HEAD
M004
M002
END SENSOR
TOP SENSOR
S-TENSION SENSOR
T-TENSION SENSOR
THREAD END SENSOR
UNTHREAD END SENSOR
S-REEL
DRIVER
HEAD DRIVER
DEGAUSSING
REC/PB AMP
CTL
AMP
TENSION
MPU
FG
FG
PGFG
M
M
M
FG
M
FG
M
M
M

Table of Contents

Related product manuals