EasyManua.ls Logo

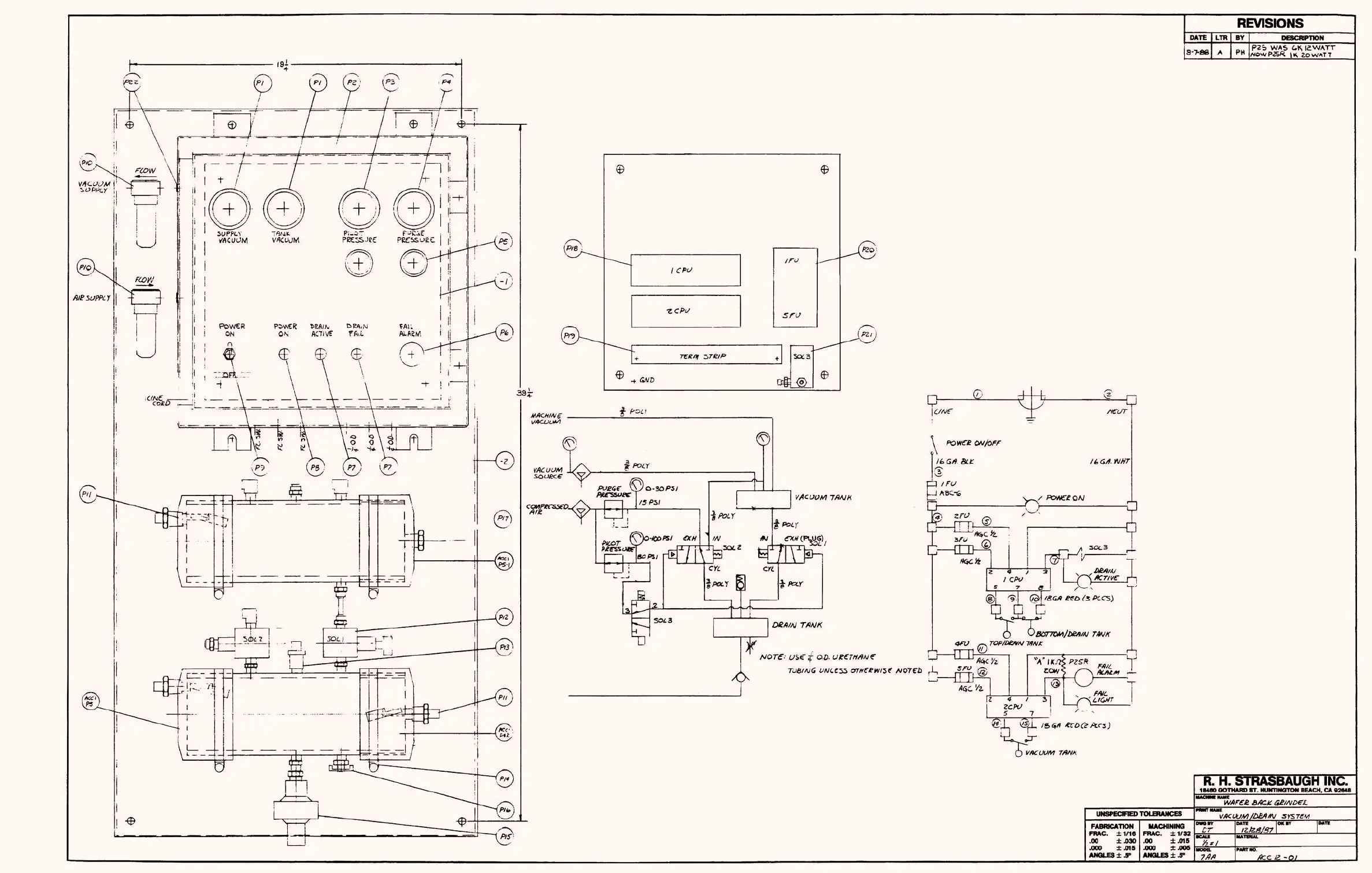
Strasbaugh 7AA - Page 210

Strasbaugh 7AA
283 pages
Print Icon
To Next Page IconTo Next Page
To Next Page IconTo Next Page
To Previous Page IconTo Previous Page
To Previous Page IconTo Previous Page
Loading...

Table of Contents