40 Getting Started 083730300A DCN8101
SPAN GAS FOR MULTIPOINT CALIBRATION
Some applications, such as EPA monitoring, require a multipoint calibration procedure
where span gases of different concentrations are needed. We recommend using a bottle
of calibrated CO gas of higher concentration in conjunction with a gas dilution calibrator
such as a Teledyne API’s T700. This type of calibrator precisely mixes a high
concentration gas with zero air (both supplied externally) to accurately produce span gas
of the correct concentration. Linearity profiles can be automated with this model and run
unattended over night.
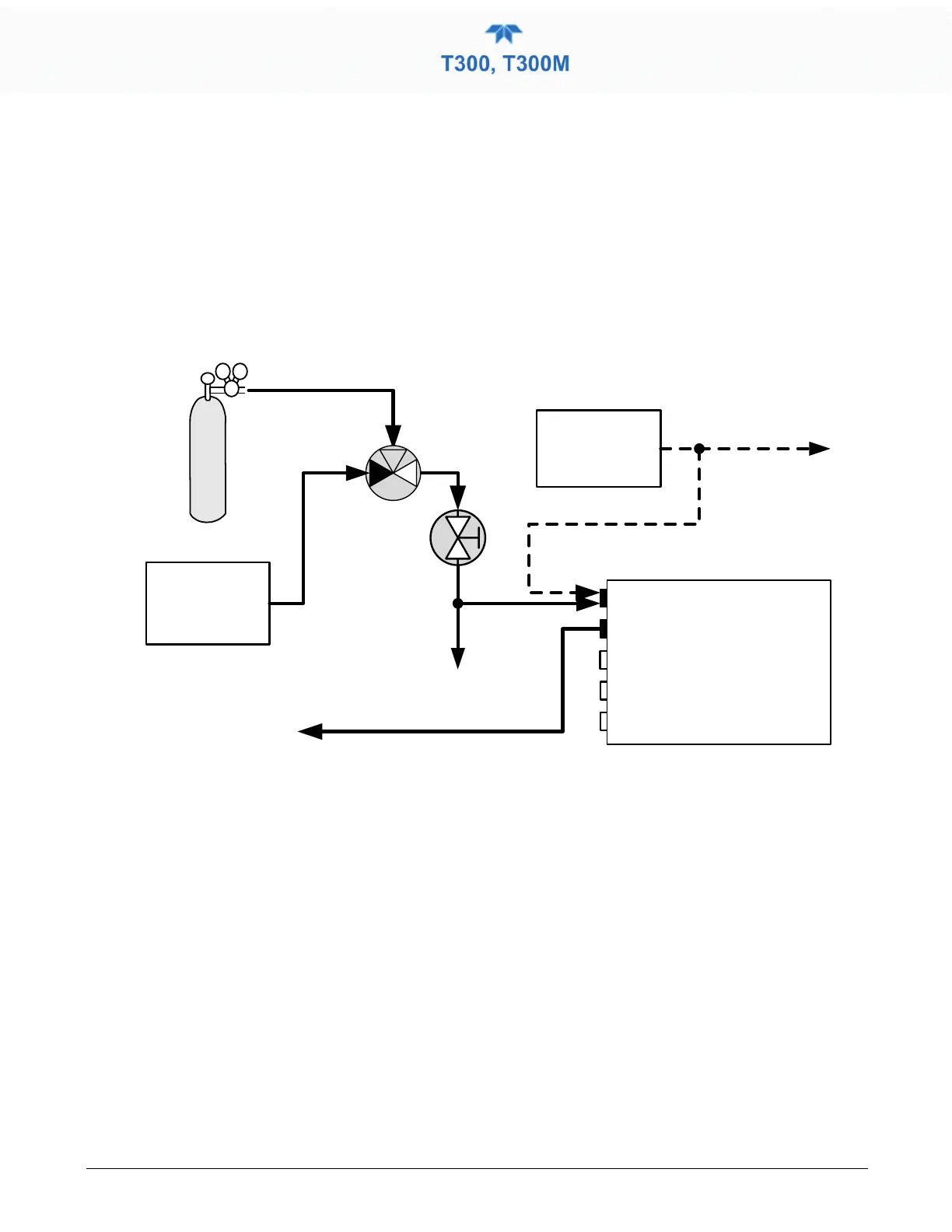
2.3.2.2 PNEUMATIC CONNECTIONS: BASIC CONFIGURATION
Source of
SAMPLE GAS
Removed during
calibration
VENT
MODEL 701
Zero Gas
Generator
Calibrated
CO Gas
at span gas
concentration
VENT
here if input
is pressurized
SAMPLE
EXHA UST
Instrument
Chassis
Exhaust must be vented outside
of shelter or immediate area
sur rounding the instrument.
Figure 2-15. T300/T300M Pneumatic Connections – Basic Configuration Using Bottled Span Gas