EasyManua.ls Logo

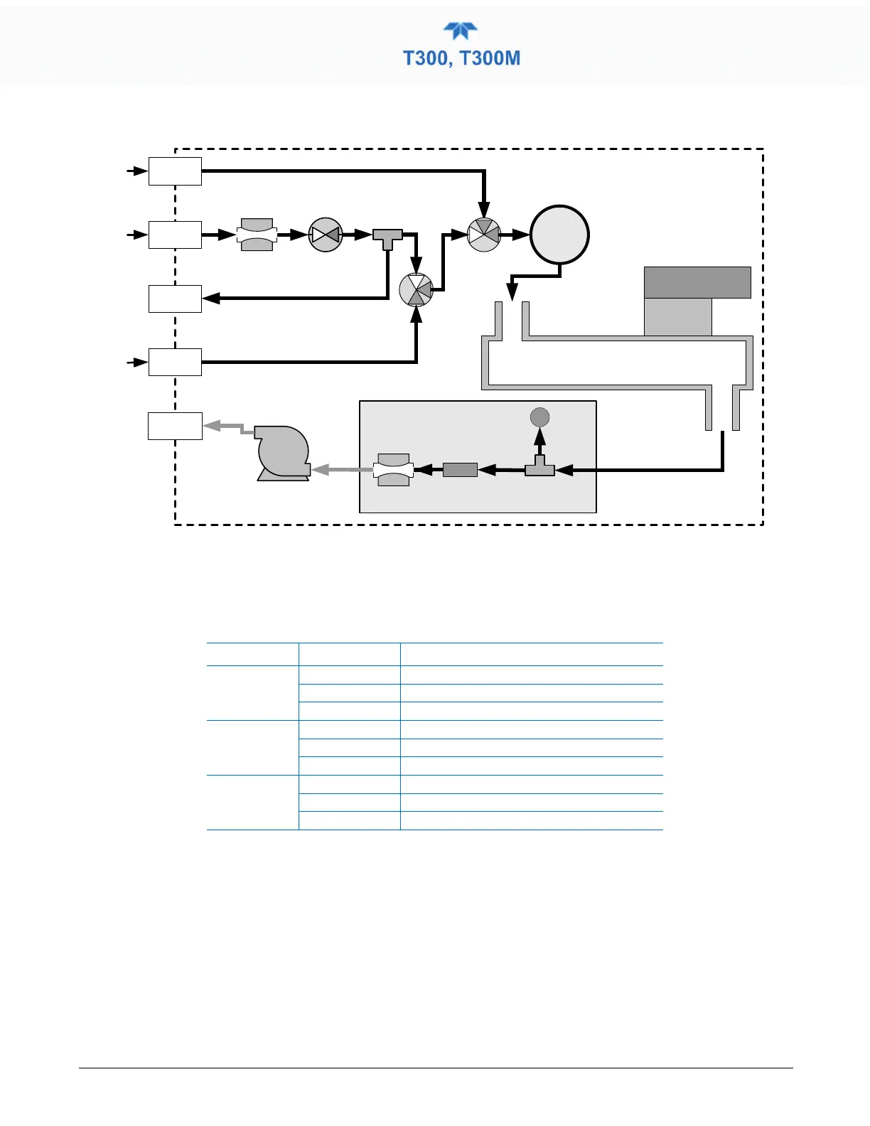
TELEDYNE API T300M - Pneumatic Flow: Ambient Zero;Pressurized Span Option; Figure 2-23. T300;T300 M Internal Pneumatic Flow Option 50 B - Zero;Span;Shutoff Valves; Table 2-8. Zero;Span Valve Operating States for Option 50 B

Default Icon
180 pages
Print Icon
To Next Page IconTo Next Page
To Next Page IconTo Next Page
To Previous Page IconTo Previous Page
To Previous Page IconTo Previous Page
Loading...

Table of Contents