EasyManua.ls Logo

Trackmaster TMX428 - Motor Pan Assembly

Trackmaster TMX428
159 pages
Print Icon
To Next Page IconTo Next Page
To Next Page IconTo Next Page
To Previous Page IconTo Previous Page
To Previous Page IconTo Previous Page
Loading...
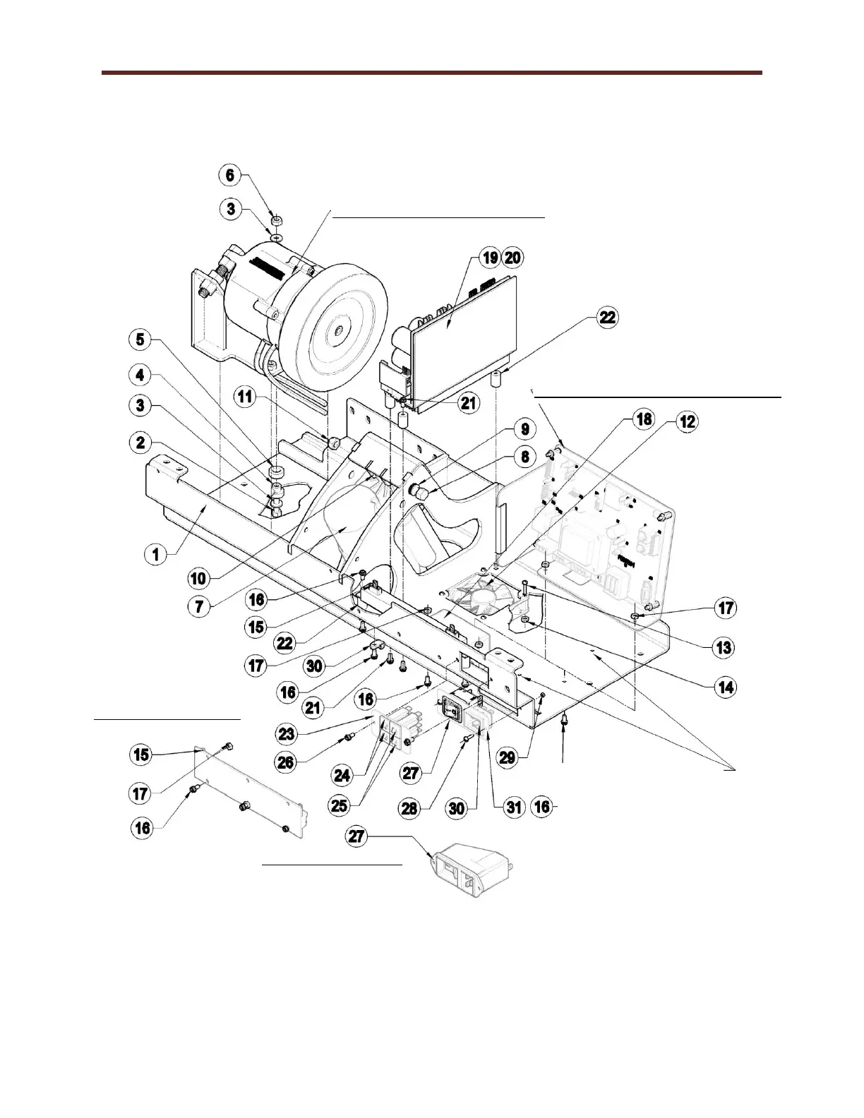
Parts List With Part Numbers Ch. 13 TRACKMASTER
134 TMX428 TMX428CP & TMX58 Service Manual 317-160-406 Rev 4
May 2021
Motor Pan Assembly
DC MOTOR MOUNT ASSEMBLY
CIRCUIT BOARD MOUNT ASSEMBLY
ALTERNATIVE RESITOR
ALTERNATIVE SWITCH
TAP 10-32 HOLE AND SAND
POWDER COAT MATERIAL
FOR PROPOR GROUND
CONNECTION

Table of Contents

Related product manuals