EasyManua.ls Logo

Trackmaster TMX428 - Page 95

Trackmaster TMX428
159 pages
Print Icon
To Next Page IconTo Next Page
To Next Page IconTo Next Page
To Previous Page IconTo Previous Page
To Previous Page IconTo Previous Page
Loading...
TRACKMASTER Ch. 10 Removal and Replacement of Components
317-160-406 Rev 4 TMX428 TMX428CP & TMX58 Service Manual 93
May 2021
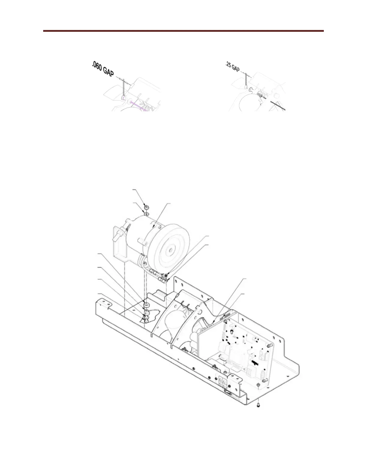
23. Adjust speed sensor to magnet on the flywheel to approximately Reed Sensor 1/16”, Hall
Effect Sensor ¼”.
24. Reinstall (4) ¼” plastic clamps on the Motor Feedback & Power wires.
25. Reconnect Motor Feedback 6-pin cable to J1 on the drive.
26. Reconnect Motor Power 4-pin cable to TB2 on the drive.
27. See Drive Belt Tension Adjustment to tension drive belt properly.
28. After installation run treadmill checking for excess vibration and noise from the motor
area.
29. Replace the hood and screws (5).
(4) ¼”-20 Nuts
(4) ¼” Flat Washer
Motor Assembly
(4)Screw HHWHTS #8-32 x 3/8” lg
(4) ¼” Clamp Plastic
TB2 Drive Connector
J1 Drive Connector
(4) MTR Isolation Spacer
(4) MTR Isolation Stem
(4) ¼” Fender Washer
(4) ¼”-20 x 1-1/4” Lg

Table of Contents

Related product manuals