EasyManua.ls Logo

Valleylab Force FX-C - Power Supply;Rf Board Assembly

Valleylab Force FX-C
214 pages
Print Icon
To Next Page IconTo Next Page
To Next Page IconTo Next Page
To Previous Page IconTo Previous Page
To Previous Page IconTo Previous Page
Loading...
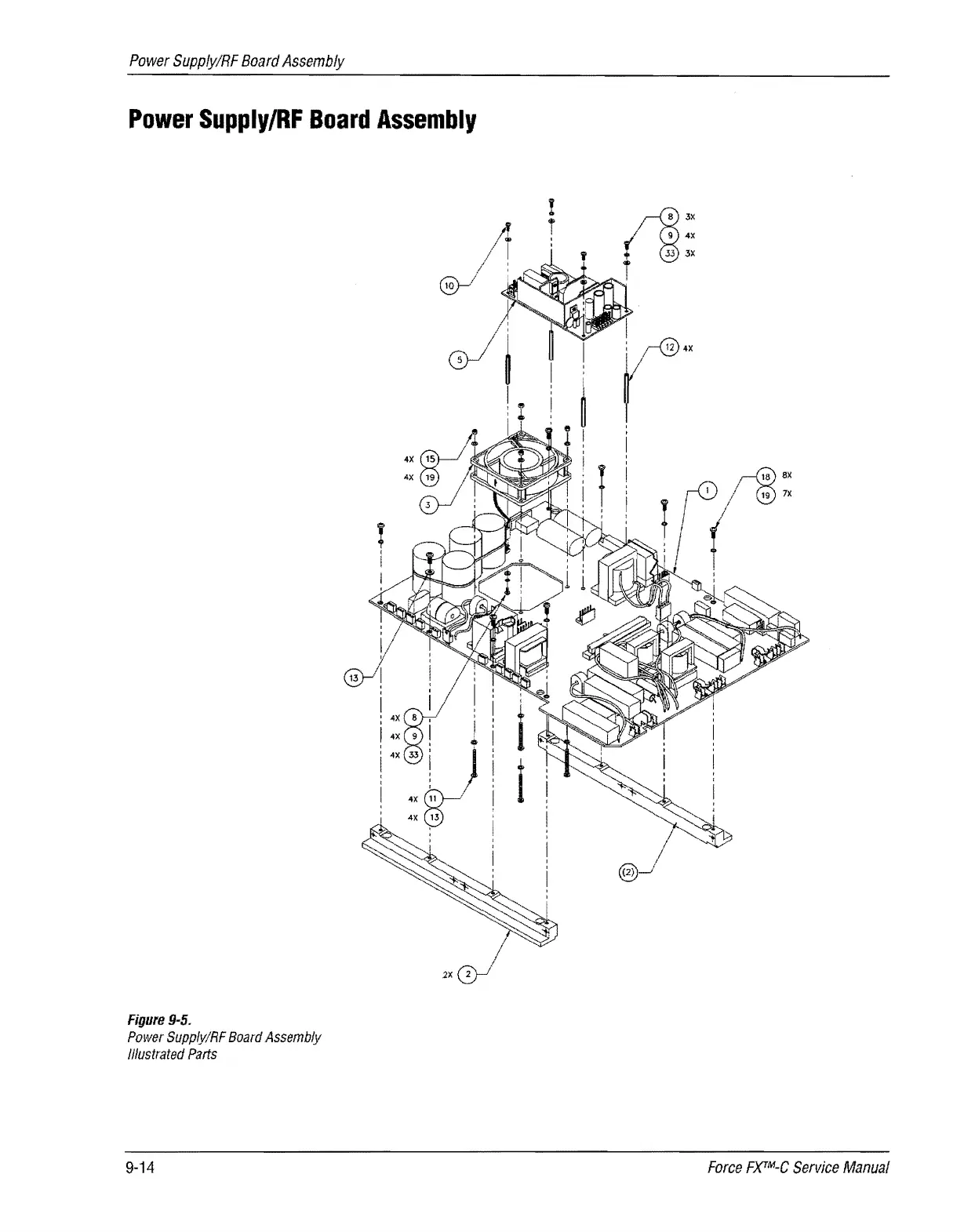
Power
Supply/RF
Board
Assembly
Power
Supply/RF
Board
Assembly
Figure
9-5.
Power
Supp/YIRF
Board
Assembly
Illustrated
Parts
9-14
f
i
I
5
I
T
,
~
3X
9
4X
33
3X
T
Force
F)(I'M-C
Service
Manual

Table of Contents

Related product manuals