EasyManua.ls Logo

Valleylab Force FX-C - Page 52

Valleylab Force FX-C
214 pages
Print Icon
To Next Page IconTo Next Page
To Next Page IconTo Next Page
To Previous Page IconTo Previous Page
To Previous Page IconTo Previous Page
Loading...
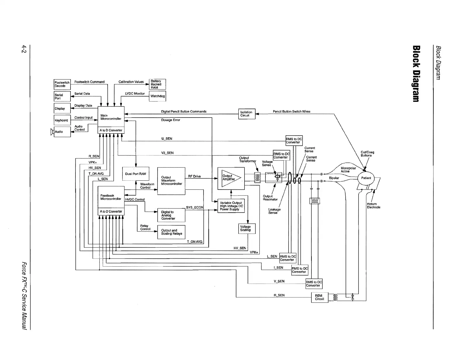
Foot.witch
Command
Calibration
Values
R_SEN
_____
VPK+
HV_SEN
Feedback
Microcontroller
A
to
D
Converter
Dual
Port
RAM
Digital
Pencil
Button
Commands
Dosage
Error
__________
VlLSEN
~~.:l~rm
t-,-,R,-F.!:D:!Cri:!:v.~_-+--.I
Microcontroller
SYS_ECON
LONAVG
Pencil
Button
Switch
Wires
Return
Electrode

Table of Contents

Related product manuals