EasyManua.ls Logo

VIDEOJET 8520 - Sensor with Installation Mount

Default Icon
168 pages
Print Icon
To Next Page IconTo Next Page
To Next Page IconTo Next Page
To Previous Page IconTo Previous Page
To Previous Page IconTo Previous Page
Loading...
Rev AB Technical Drawings 9-5
Videojet 8520 Operator Manual
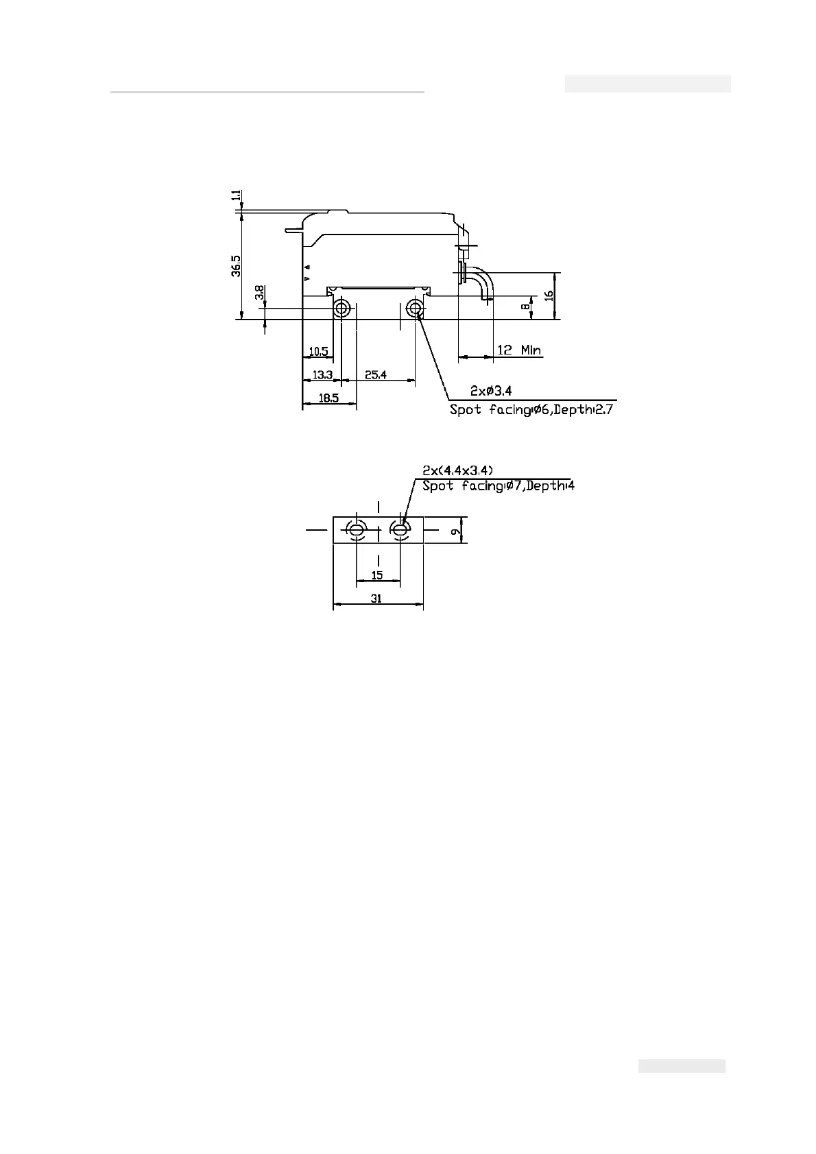
Sensor with Installation Mount
Figure 9-6: Sensor Dimensions

Table of Contents

Other manuals for VIDEOJET 8520

Related product manuals