EasyManua.ls Logo

Wacker Neuson 803 - Page 183

Wacker Neuson 803
196 pages
Print Icon
To Next Page IconTo Next Page
To Next Page IconTo Next Page
To Previous Page IconTo Previous Page
To Previous Page IconTo Previous Page
Loading...
SHB 803 en – Edition 2.4 * 803s612.fm 6-23
Electrical system
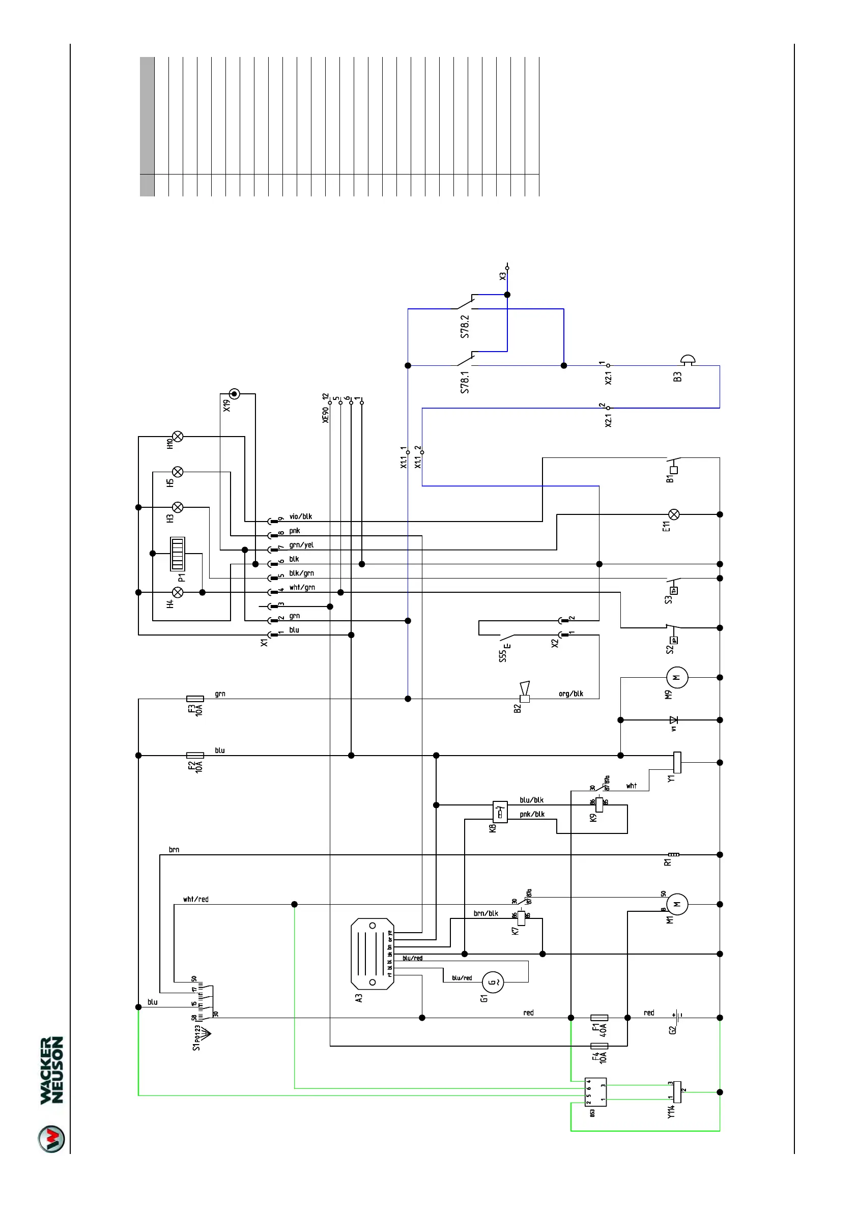
6.24 Wiring diagram Tier IV (Yanmar)
No. Designation
A3 Regulator
B1 Fuel indicator
B2 Horn
B53 Atmospheric pressure sensor
E11 Working light
F1 Main fuse
F2 Fuse: relay, indicator, cutoff solenoid
F3 Fuse: horn, working light
G1 Dynamo
G2 Battery
H3 Engine temperature indicator light
H4 Engine oil pressure indicator light
H5 Dynamo charge function indicator light
H10 Fuel level indicator light
K7 Start high-current relay
K8 Time lag relay 1s cutoff solenoid
K9 Cutoff solenoid switching relay
M1 Starter
M9 Fuel pump
P1 Hour meter
R1 Glow plug
S1 Preheating start switch
S2 Engine oil pressure switch
S3 Engine temperature switch
S55 Horn push button
Y1 Cutoff solenoid
Y114 Diesel engine limitation solenoid

Table of Contents