EasyManua.ls Logo

WEG SSW-06 - Recommended Set-Ups with Command Via Three-Wire Digital Input or Fieldbus Communication; Recommended Setup with Command Via Digital Inputs and Direction of Rotation

WEG SSW-06
195 pages
Print Icon
To Next Page IconTo Next Page
To Next Page IconTo Next Page
To Previous Page IconTo Previous Page
To Previous Page IconTo Previous Page
Loading...
CHAPTER 3 - INSTALLATION AND CONNECTION
64
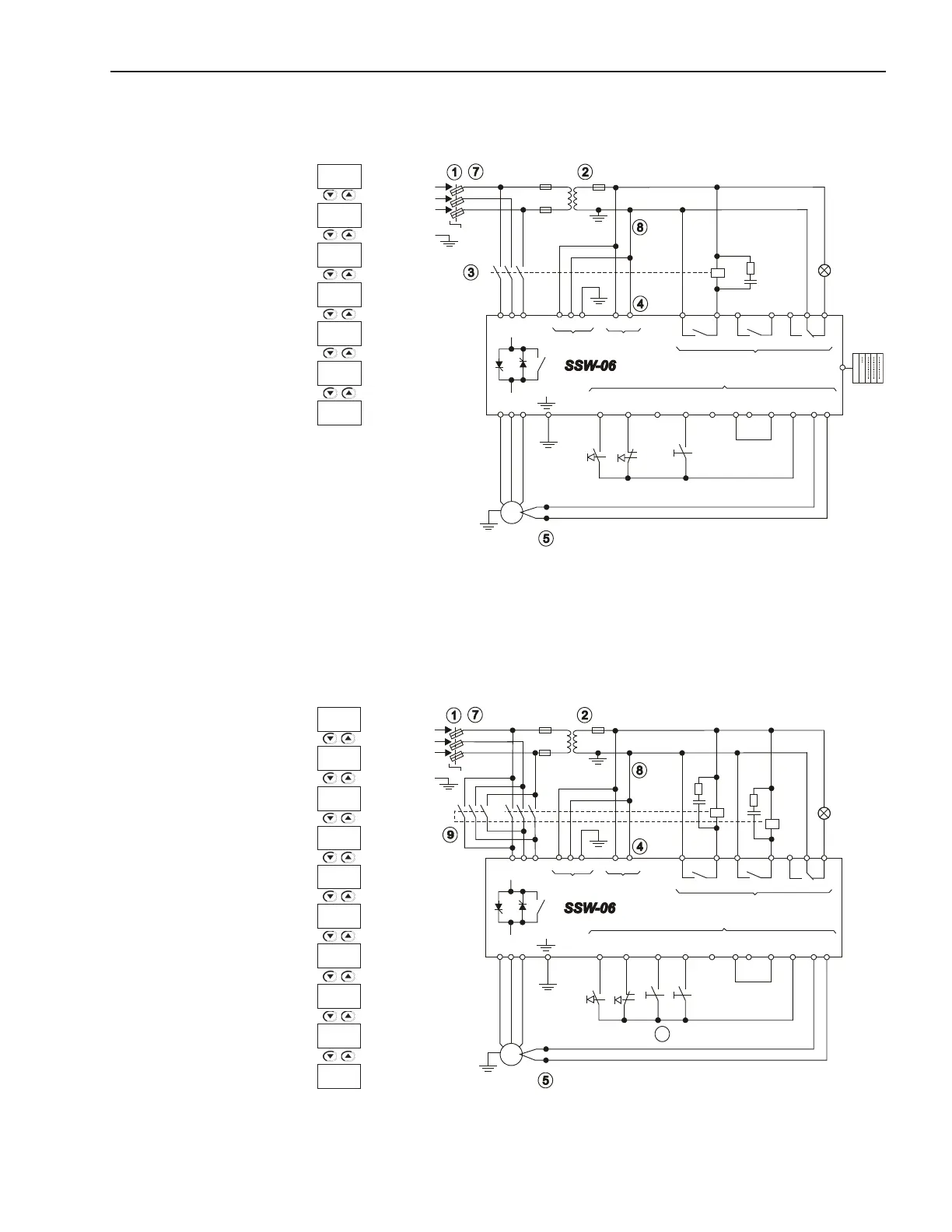
3.3.7 Recommended Set-up with Command via Three-wire Digital Input or Fieldbus
Communication
Figure 3.28 - Recommended set-up with command via three-wire digital input or eldbus communica-
tion
See notes in the item 3.3
+ t
o
M
3~
R
S
T
PE
K1
R S T
1 2 PE
33 34
X1EX1A
18
19
RL1 RL2
20
21
22
23
24
RL3
X1C
X1B
Dl1
3
Dl2
4
Dl3
5
Dl4
6
Dl5
7
COM
8 9
0V
10
24V
11
PTC
B A
12 13
U V W
Fault
T1
K1
PTC
X2
PLC
Local
Remote
Start
Stop
3.3.8 Recommended Set-up with Command via Digital Inputs and direction of rotation
Figure 3.29 - Recommended Set-up with Command via Digital Inputs and direction of rotation
10
+ t
o
M
3~
R
S
T
PE
K1
R S T
1 2 PE
33 34
X1EX1A
18
19
RL1 RL2
20
21
22
23
24
RL3
X1C
X1B
Dl1
3
Dl2
4
Dl3
5
Dl4
6
Dl5
7
COM
8 9
0V
10
24V
11
PTC
B A
12 13
U V W
Fault
T1
K1
PTC
Start
Stop
K2
K2
Direction of
Rotation
See notes in the item 3.3
P264 =1
P230 =3
P229 =1
P220 =4
P277 =1
P279 =6
P263 =2
P264 =1
P231 =1
P230 =1
P220 =1
P266 =1
P277 =4
P278 =4
P279 =6
P263 =2
P620 =0

Table of Contents

Other manuals for WEG SSW-06

Related product manuals